EasyManua.ls Logo

Sans Digital Towerraid TR4UT-B - HARD DISK DRIVE HOT-PLUG & HOT-UNPLUG

Sans Digital Towerraid TR4UT-B
50 pages
Print Icon
To Next Page IconTo Next Page
To Next Page IconTo Next Page
To Previous Page IconTo Previous Page
To Previous Page IconTo Previous Page
Loading...
20
3. The following message then appears: “Safe to Remove Hardware”. You can now safely disconnect the device
from your computer.
Note: If your host USB adapter does not support this feature, the device should be disabled using the Device
Manager or your system should be shut down cleanly and powered off before disconnecting the USB device.
4.3.2 MACINTOSH SYSTEMS
You must un-mount the hard disk drive by dragging the hard drive icon to the trash before disconnecting it or
powering it down.
4.4 HARD DISK DRIVE HOT-PLUG & HOT-UNPLUG
The hard disk drives should not be hot-plugged, but unless RAID failure. To avoid data corruption or loss, care should be
taken to ensure that the host system is not currently using any drive that is about to be hot-unplugged.
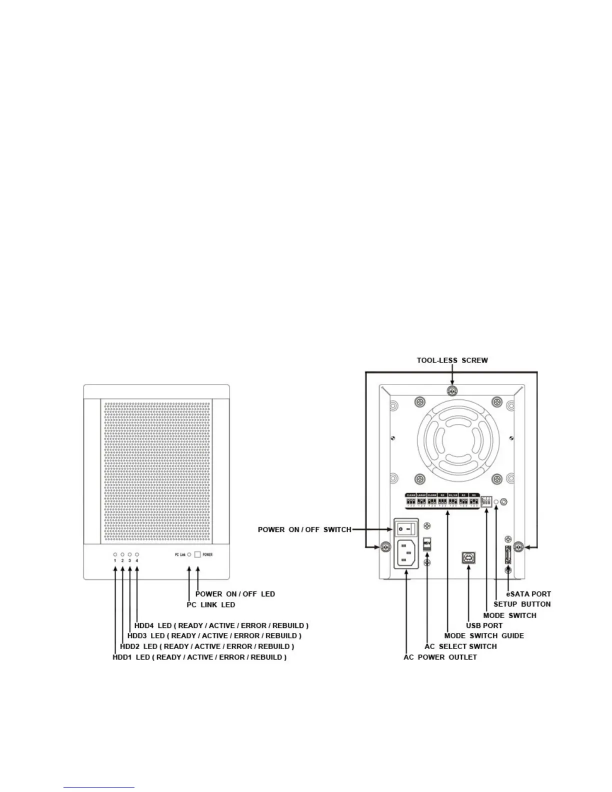
4.5 LED INDICATIVE STATUS
The TowerRAID TR4UTP/TR4UT-BP provides information on the SATA HDDs, PC Link, and Power LEDs.
Each LED activity will turn On/Off the LED for approximately 70 ms. The blinking rate is approximately 400 ms On and 400
ms Off.

Related product manuals