EasyManua.ls Logo

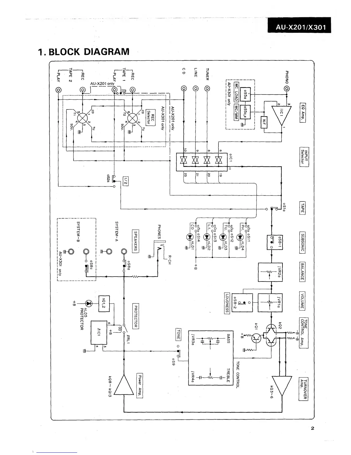
Sansui AU-X201 - Block Diagram

Sansui AU-X201
12 pages
Print Icon
To Next Page IconTo Next Page
To Next Page IconTo Next Page
To Previous Page IconTo Previous Page
To Previous Page IconTo Previous Page
Loading...
AU-X201/X301
1 .
BLOCK
DIAGRAM

Related product manuals