EasyManua.ls Logo

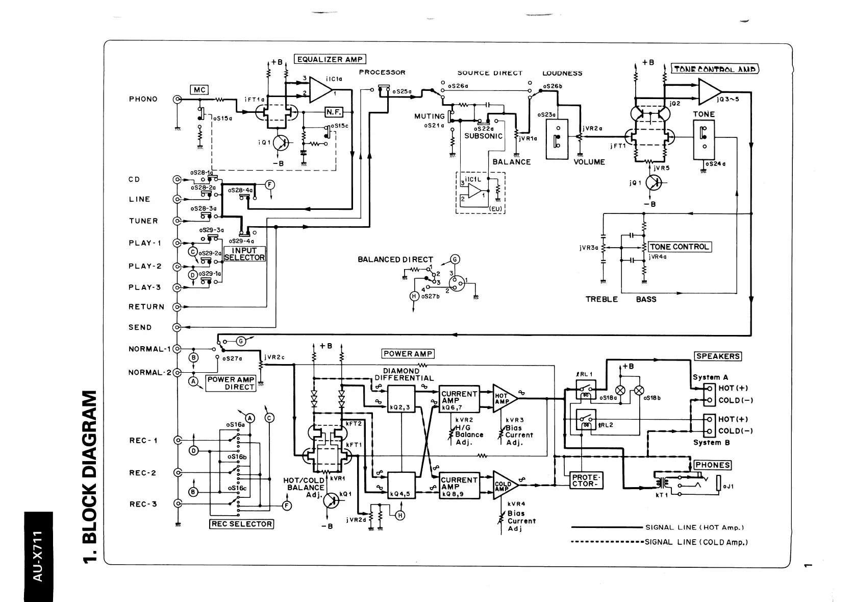
Sansui AU-X711 - Block Diagram Overview; Signal Flow and Components

Sansui AU-X711
16 pages
Print Icon
To Next Page IconTo Next Page
To Next Page IconTo Next Page
To Previous Page IconTo Previous Page
To Previous Page IconTo Previous Page
Loading...

Related product manuals