EasyManua.ls Logo

Sanyo PLC-XT11

Sanyo PLC-XT11
104 pages
To Next Page IconTo Next Page
To Next Page IconTo Next Page
To Previous Page IconTo Previous Page
To Previous Page IconTo Previous Page
Loading...
-61-
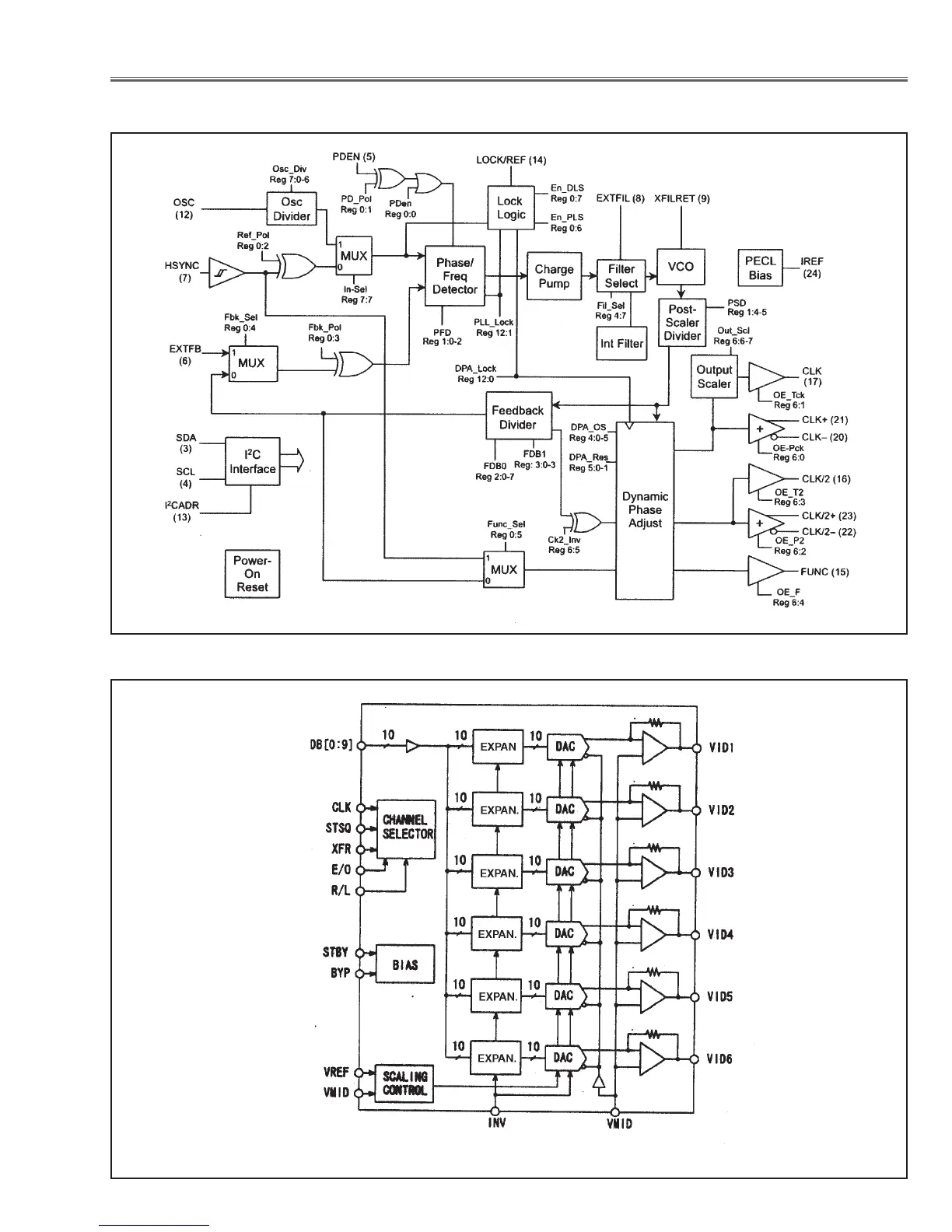
IC Block Diagrams
ICS1523M <PLL, IC4231>
L306070D <D/A-Sample & Hold, IC501, IC530, IC561>

Other manuals for Sanyo PLC-XT11

Related product manuals