EasyManua.ls Logo

Sanyo PLC-XT11

Sanyo PLC-XT11
104 pages
To Next Page IconTo Next Page
To Next Page IconTo Next Page
To Previous Page IconTo Previous Page
To Previous Page IconTo Previous Page
Loading...
-63-
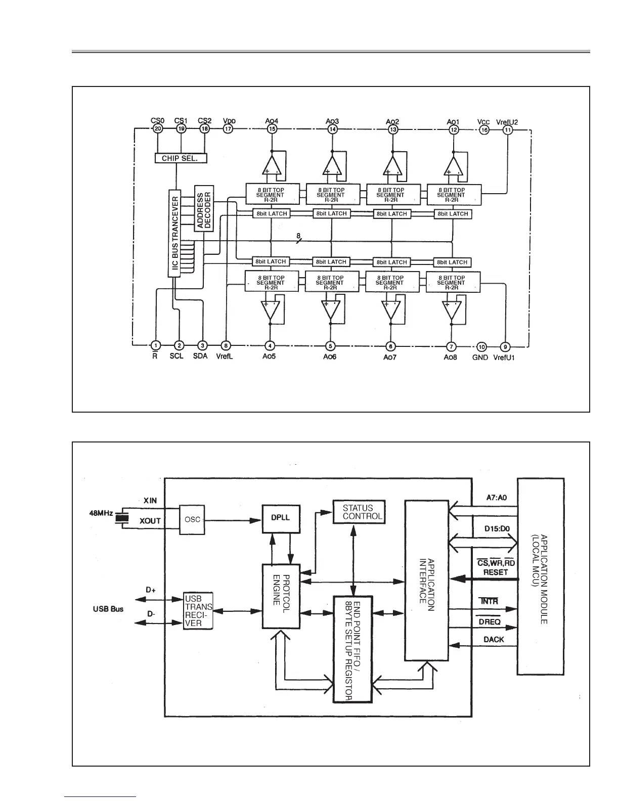
M62399 <D/A, IC1501, IC1531>
ML60851 <USB Driver, IC9801>
IC Block Diagrams

Other manuals for Sanyo PLC-XT11

Related product manuals