EasyManua.ls Logo

Sanyo PLC-XT35L

Sanyo PLC-XT35L
156 pages
To Next Page IconTo Next Page
To Next Page IconTo Next Page
To Previous Page IconTo Previous Page
To Previous Page IconTo Previous Page
Loading...
-105-
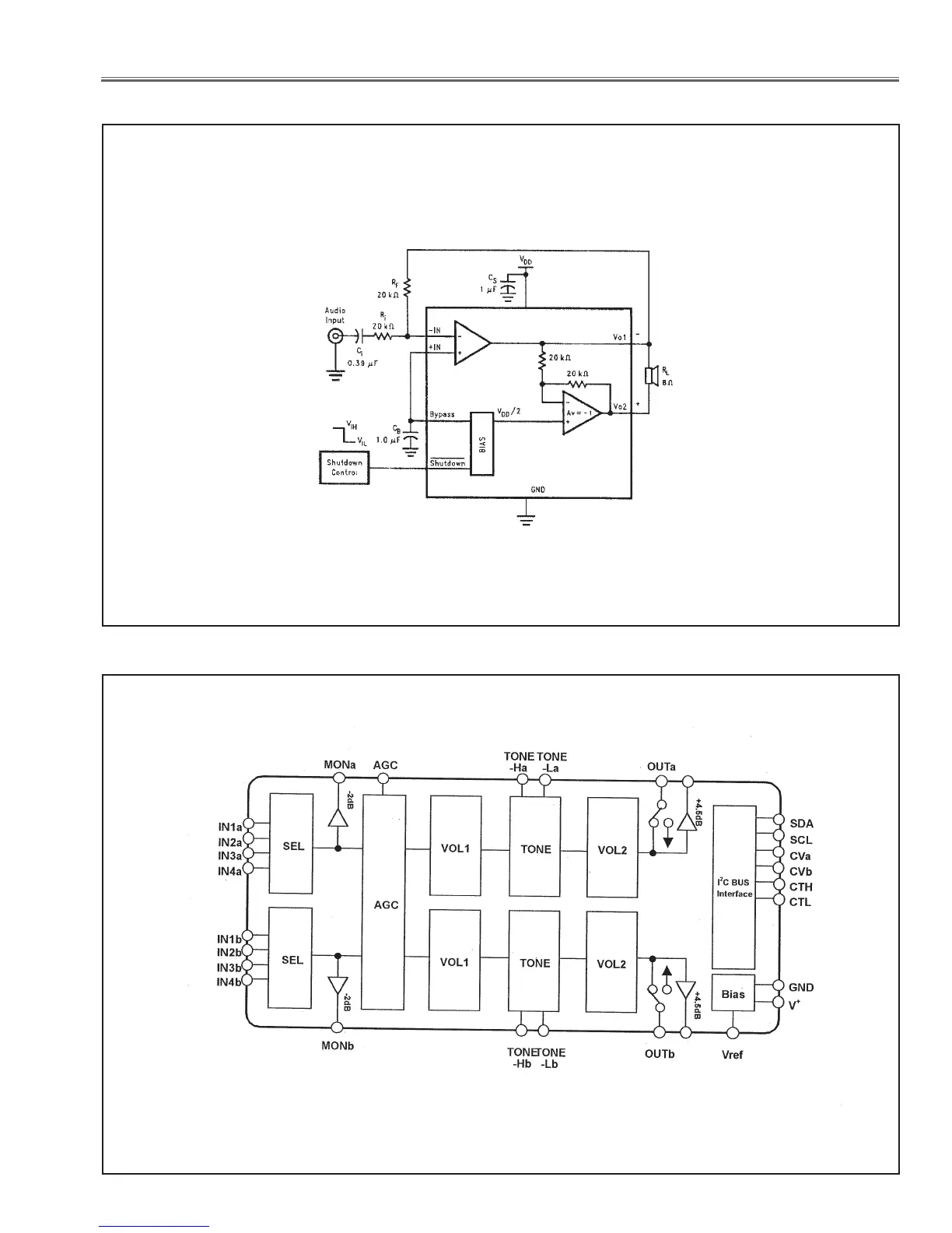
IC Block Diagrams
LM4889 <Audio Output, IC5121>
NJW1141 <Audio Control, IC5001>

Table of Contents

Other manuals for Sanyo PLC-XT35L

Related product manuals