EasyManua.ls Logo

Sanyo PLC-XT35L

Sanyo PLC-XT35L
156 pages
To Next Page IconTo Next Page
To Next Page IconTo Next Page
To Previous Page IconTo Previous Page
To Previous Page IconTo Previous Page
Loading...
-106-
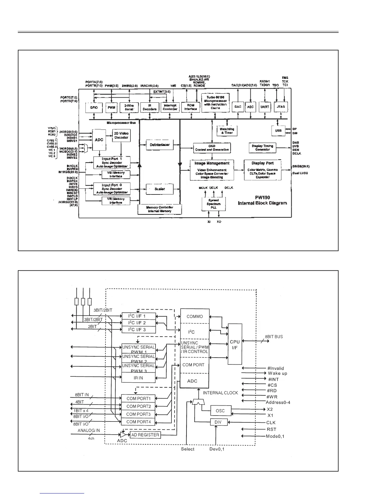
IC Block Diagrams
TE7783 <Parallel I/O Expander, IC1801>
PW190 <Scan Converter & System Control, IC301>

Table of Contents

Other manuals for Sanyo PLC-XT35L

Related product manuals