EasyManua.ls Logo

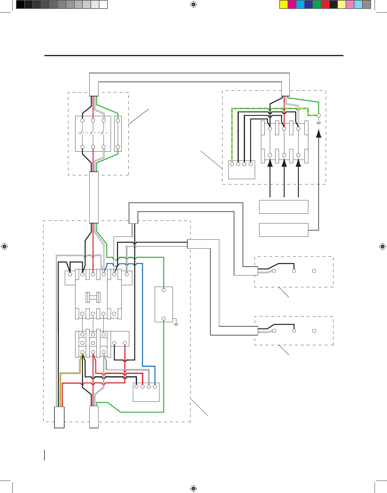
SawStop CB53480 - Electrical Schematic - 230 V, Three-Phase (3, 5 and 7.5 HP)

Default Icon
104 pages
Print Icon
To Next Page IconTo Next Page
To Next Page IconTo Next Page
To Previous Page IconTo Previous Page
To Previous Page IconTo Previous Page
Loading...
78 SawStop 10” Industrial Cabinet Saw
Electrical Schematic — 230V, Three-Phase (3, 5 and 7.5 HP)
1L1 3L2
5L3
13NO
14NO
2T1 4T2 6T3
2T1 4T2 6T3
95 96
A2
COIL
A1
COIL
GROUND
PLATE
NOISE
FILTER
TO
MOTOR
TO
SWITCH BOX
MAGNETIC
CONTACTOR BOX
DISCONNECT
SWITCH
SURGE
SUPPRESSOR
CONNECT 208-240V
3-PHASE POWER HERE
CONNECT EQUIPMENT
GROUND HERE
TERMINAL BOX
97 98
NO N CCOM
NO NCCOM
MOTOR COVER
INTERLOCK SWITCH
BELT ACCESS DOOR
INTERLOCK SWITCH
Black
White
White
Black
White
Black
Black
White
Green
Green
Green
Green
Red Red
Red
Red
Red
Red
White
White
White
White
White
Blue
Yellow
White
Black
Black
Black
Black
Black
Black
Green
Green / Yellow
Black
Red
Black
White
Black
Black
Cabinet Saw Manual 1st Reprint.i78 78 3/9/2010 8:33:11 AM

Table of Contents

Related product manuals