EasyManua.ls Logo

SCAC STS60-23BV - Hydraulics and Engine Components

Default Icon
85 pages
Print Icon
To Next Page IconTo Next Page
To Next Page IconTo Next Page
To Previous Page IconTo Previous Page
To Previous Page IconTo Previous Page
Loading...
66
R
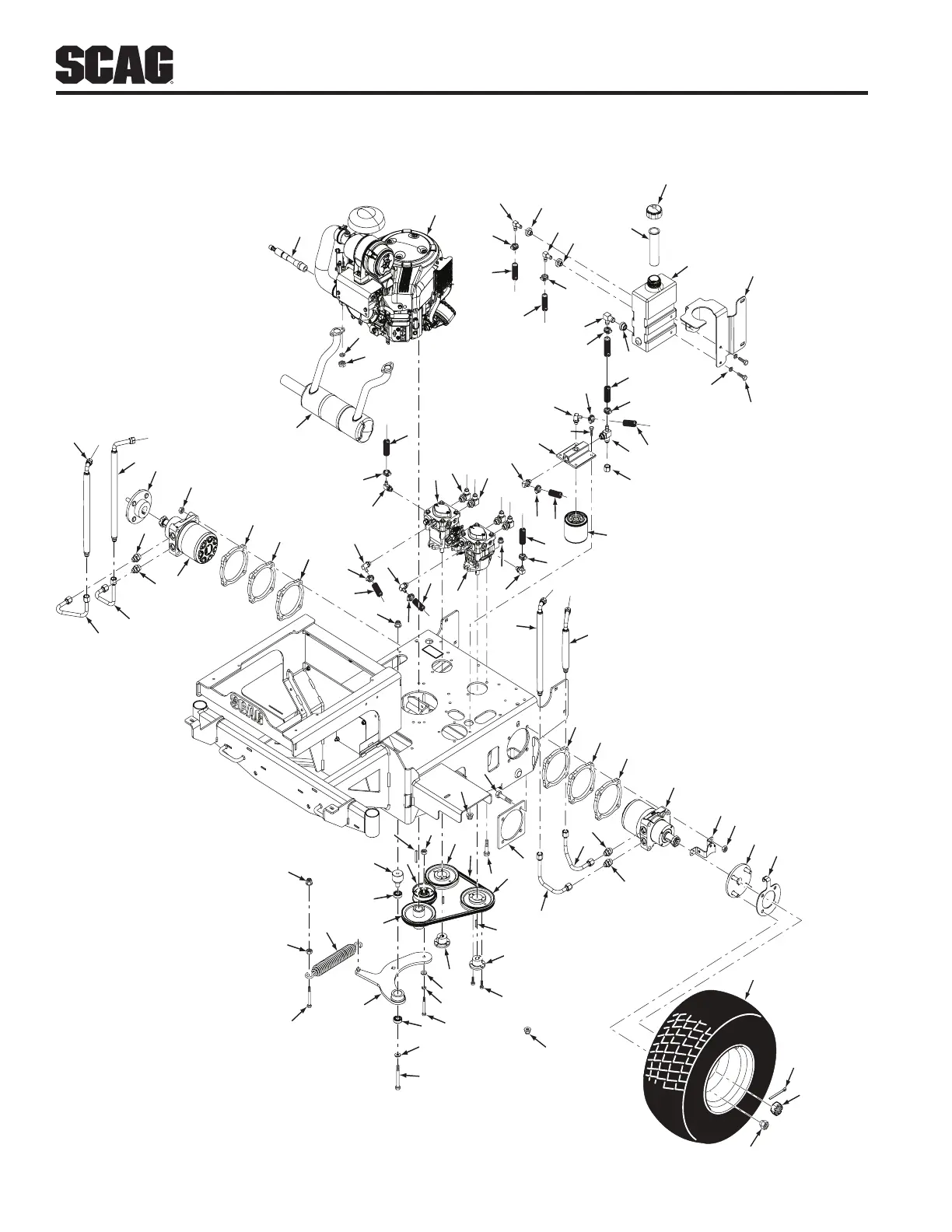
Section 7
HYDRAULICS AND ENGINE COMPONENTS
A
A
B
B
C
C
D
D
E
E
F
F
G
G
H
H
1
2
3
4
7
7
7
11
13
5
5
18
19
17
17
19
19
17
18
18
38
16
15
14
14
17
18
19
8
9
8
9
30
28
26
25
27
24
23
22
21
20
21
20
21
29
7
7
7
6
4
5
5
10
12
31
32
33
34
35
36
33
37
39
41
41
40
43
43
44
45
38
38
48
49
60
38
52
19
18
17
17
19
18
52
54
54
42
46
47
51
53
55
56
57
57
58
59
6
47
60
61
50
61
63
64
65

Table of Contents