EasyManua.ls Logo

Schulz SRS 60 - Page 14

Schulz SRS 60
Print Icon
To Next Page IconTo Next Page
To Next Page IconTo Next Page
To Previous Page IconTo Previous Page
To Previous Page IconTo Previous Page
Loading...
14
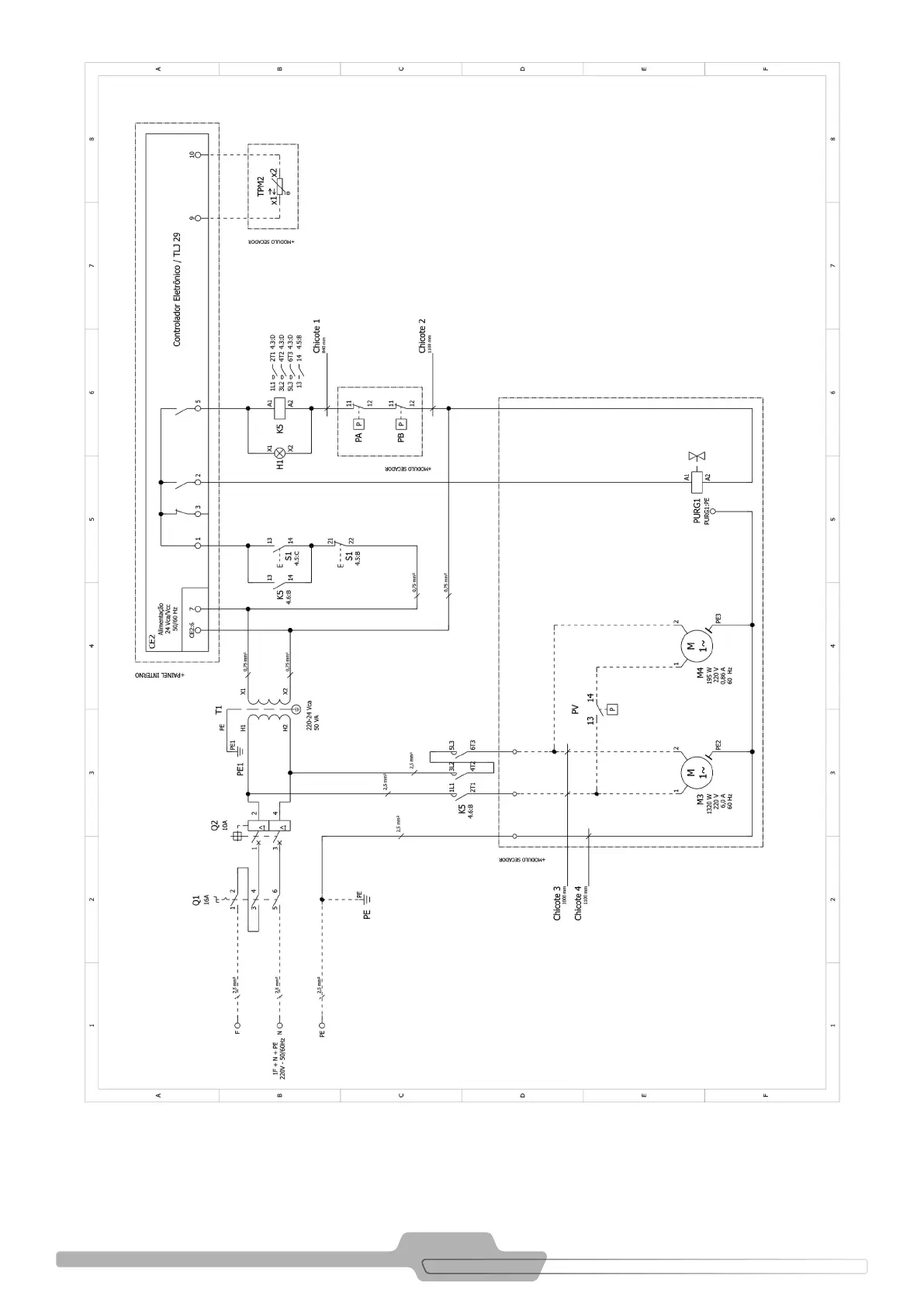
Nota: O compressor de refrigeração é equipado com proteção térmica por sobrecorrente.
FIGURA 9.4 - DIAGRAMA ELÉTRICO SRS 170 / 190 / 240

Table of Contents

Related product manuals