EasyManua.ls Logo

Schulz SRS 60 - Page 13

Schulz SRS 60
Print Icon
To Next Page IconTo Next Page
To Next Page IconTo Next Page
To Previous Page IconTo Previous Page
To Previous Page IconTo Previous Page
Loading...
13
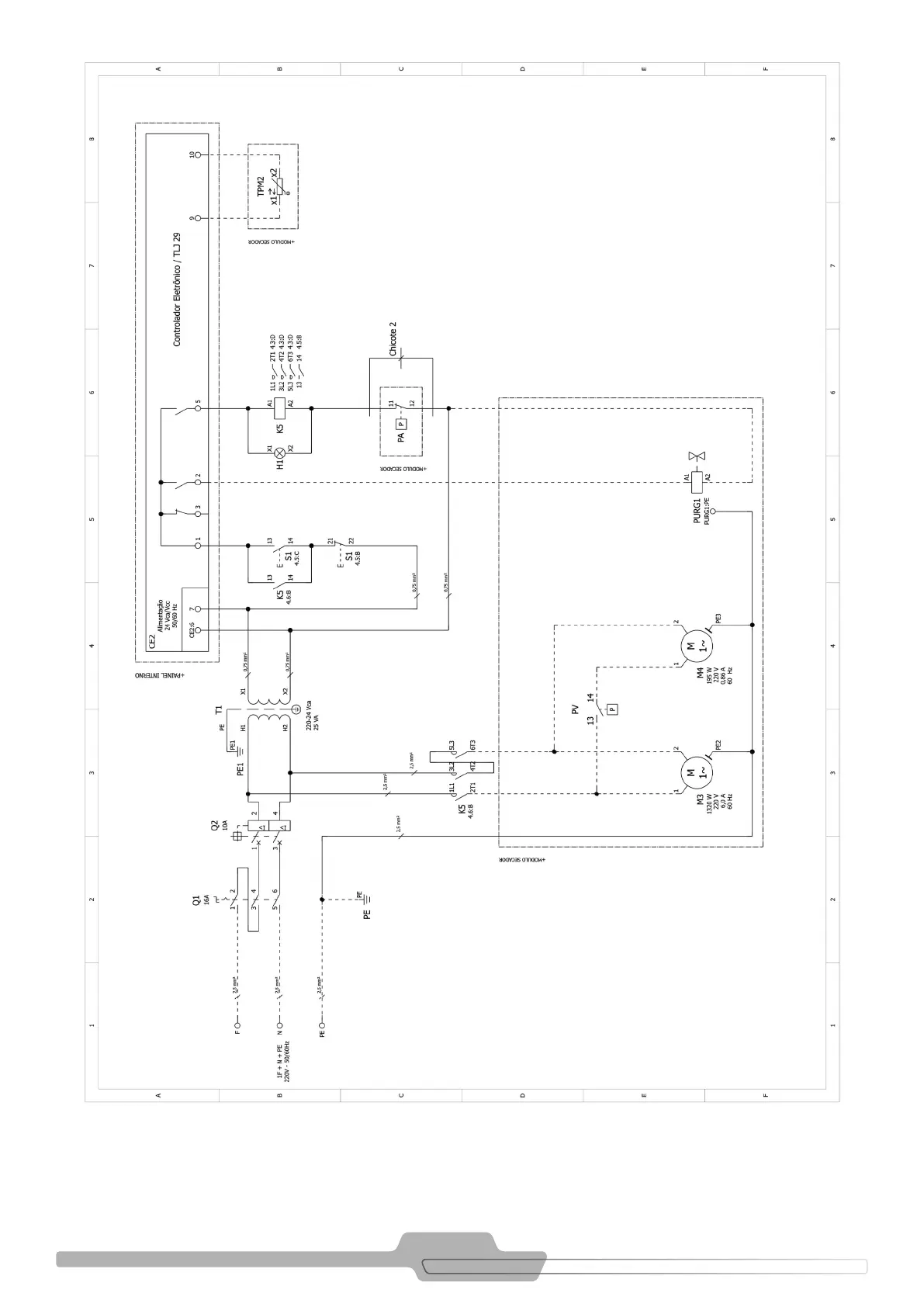
FIGURA 9.3 - DIAGRAMA ELÉTRICO SRS 40 / 60 / 90 / 130
Nota: O compressor de refrigeração é equipado com proteção térmica por sobrecorrente.
SRS 130 é disponivel com PB.

Table of Contents

Related product manuals