EasyManua.ls Logo

Schulz SRS 60 - Page 12

Schulz SRS 60
Print Icon
To Next Page IconTo Next Page
To Next Page IconTo Next Page
To Previous Page IconTo Previous Page
To Previous Page IconTo Previous Page
Loading...
12
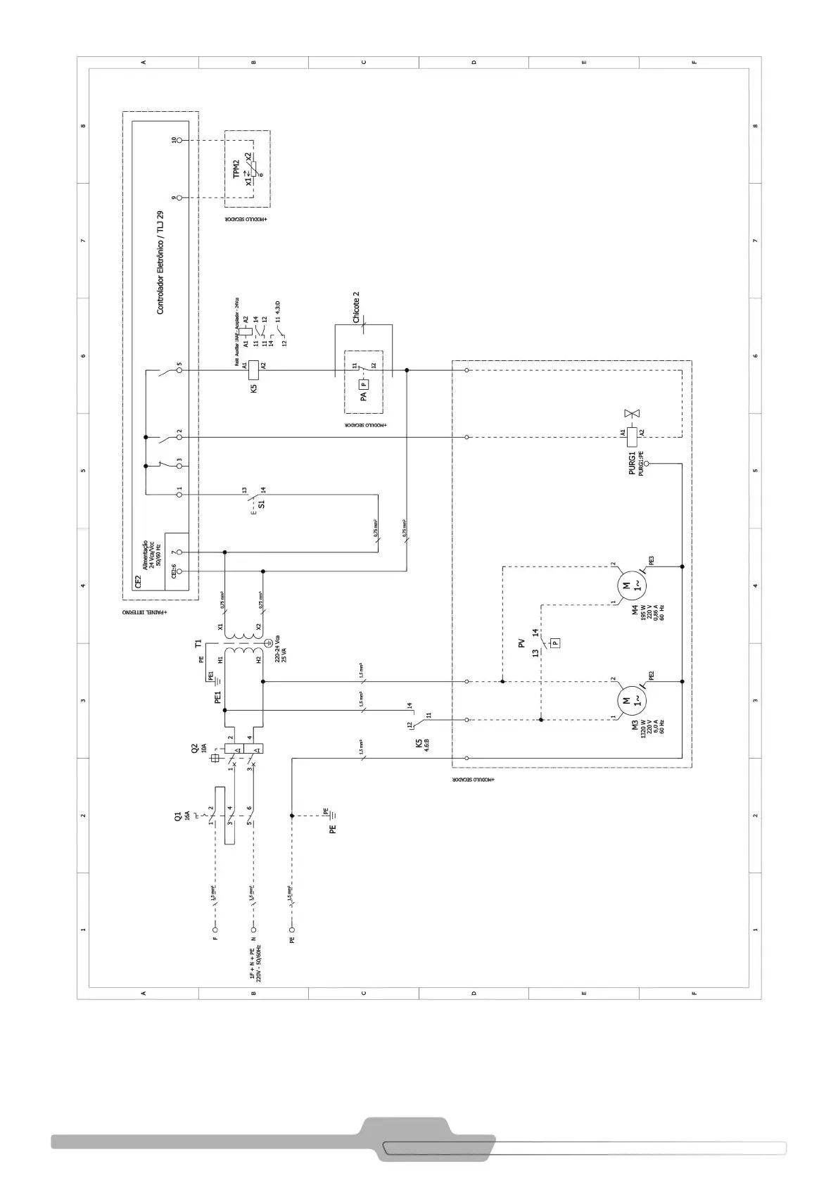
FIGURA 9.2 - DIAGRAMA ELÉTRICO SRS 20/30

Table of Contents

Related product manuals