EasyManua.ls Logo

Schulz SRS 60 - Page 64

Schulz SRS 60
Print Icon
To Next Page IconTo Next Page
To Next Page IconTo Next Page
To Previous Page IconTo Previous Page
To Previous Page IconTo Previous Page
Loading...
64
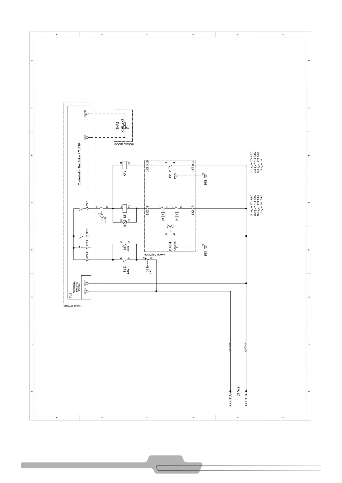
FIGURA 9.10 - DIAGRAMA ELÉCTRICO 220V SRS 1300
Nota: El compresor de refrigeración está equipado con protección térmica por sobrecaraga de energía
CONTINUIDAD

Table of Contents

Related product manuals