EasyManua.ls Logo

Schulz SRS 60 - Page 65

Schulz SRS 60
Print Icon
To Next Page IconTo Next Page
To Next Page IconTo Next Page
To Previous Page IconTo Previous Page
To Previous Page IconTo Previous Page
Loading...
65
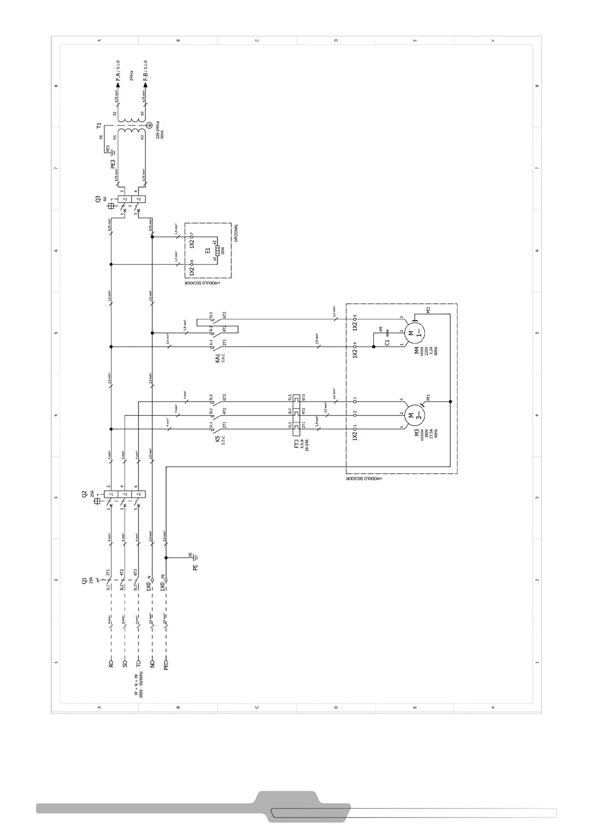
FIGURA 9.10 - DIAGRAMA ELÉCTRICO 380V SRS 1300
Nota: El compresor de refrigeración está equipado con protección térmica por sobrecaraga de energía

Table of Contents

Related product manuals