EasyManua.ls Logo

Schwing ROCK - Rock Valve Parts Identification - M Rock

Default Icon
42 pages
Print Icon
To Next Page IconTo Next Page
To Next Page IconTo Next Page
To Previous Page IconTo Previous Page
To Previous Page IconTo Previous Page
Loading...
Service Manual
SERVICE TRAINING
Rock Valve
2
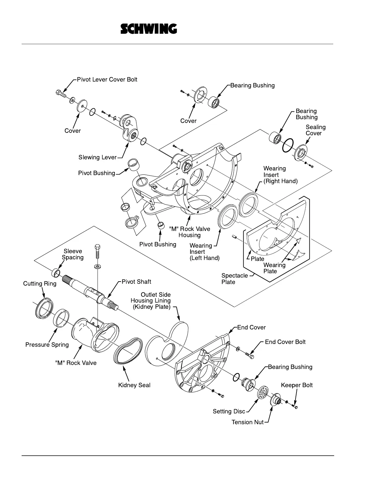
Rock Valve Parts Identification - “M” Rock
 
 
 
  
 
 
 
 
 

 
  
!  
! 
 
 "  






  
#
$ "
  
 

%


%
&
'" #(
%
&
' #(
) 
# "
' (

Related product manuals