EasyManua.ls Logo

Schwing ROCK - Rock Valve Parts Identification - B Rock

Default Icon
42 pages
Print Icon
To Next Page IconTo Next Page
To Next Page IconTo Next Page
To Previous Page IconTo Previous Page
To Previous Page IconTo Previous Page
Loading...
Service Manual
SERVICE TRAINING
Rock Valve
4
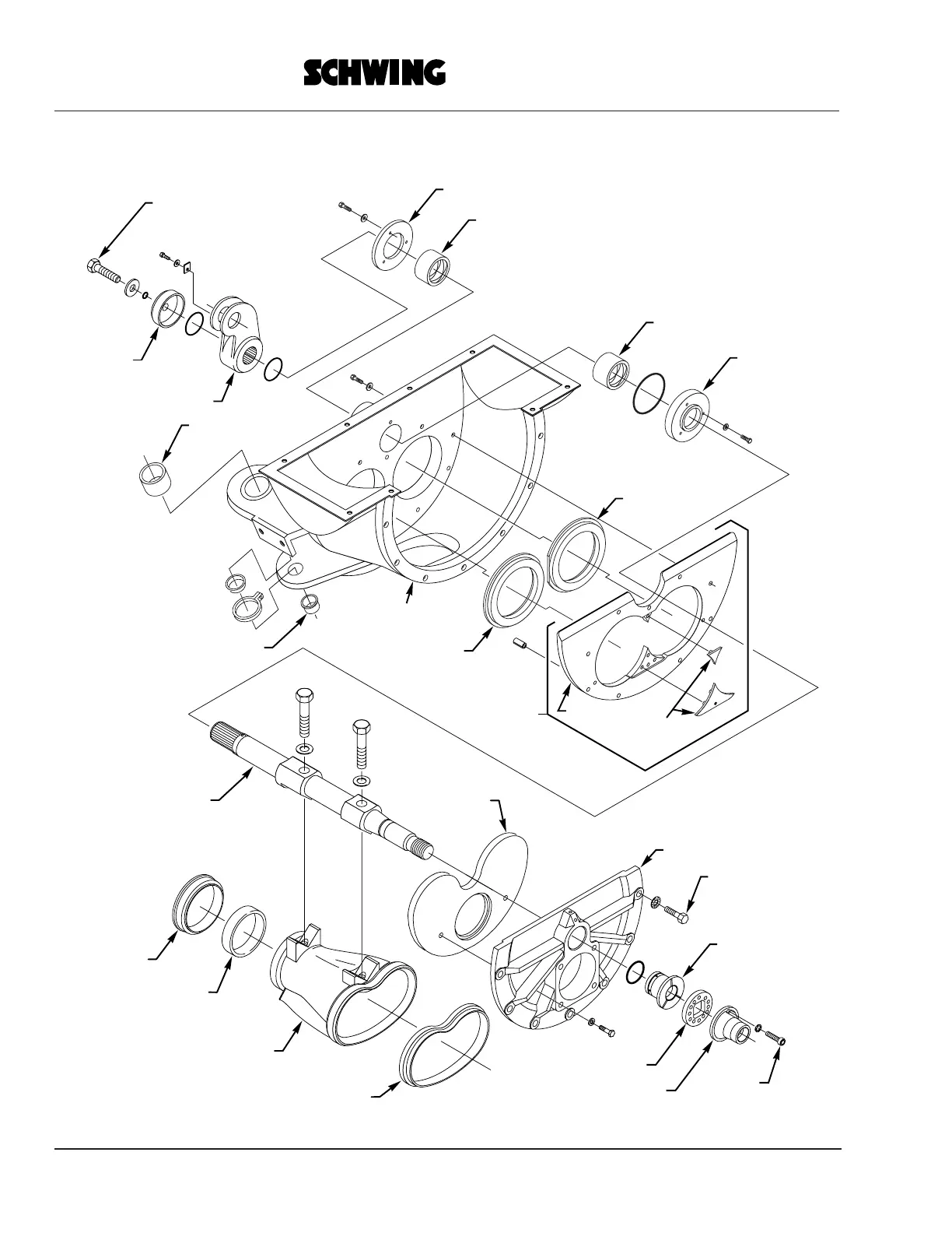
Rock Valve Parts Identification - “B” Rock
Pivot Lever
Cover Bolt
Cover
Slewing Lever
Bearing Bushing
Bearing Bushing
Sealing
Cover
Cover
Pivot Bushing
Wearing
Plate
Plate
Wearing
Insert
(Left Hand)
Wearing
Insert
(Right Hand)
Pivot Bushing
"B" Rock Valve
Housing
Cutting
Ring
"B" Rock Valve
Kidney Seal
Setting Disc
Tension Nut
Bearing
Bushing
Pivot Shaft
Keeper
Bolt
End Cover Bolt
End Cover
Pressure
Spring
Outlet Side
Housing Lining
(Kidney Plate)
Spectacle
Plate

Related product manuals