EasyManua.ls Logo

Scotchman DO-150-24M - Page 119

Scotchman DO-150-24M
121 pages
Print Icon
To Next Page IconTo Next Page
To Next Page IconTo Next Page
To Previous Page IconTo Previous Page
To Previous Page IconTo Previous Page
Loading...
PAGE 118
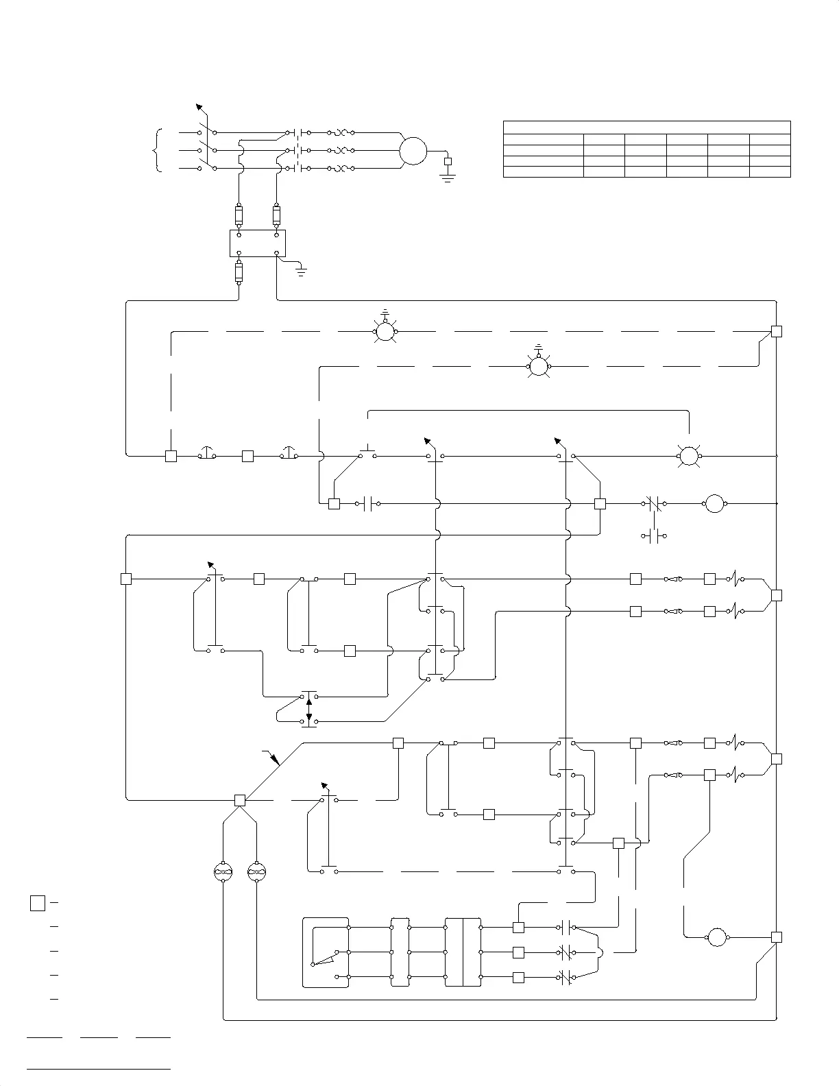
DO-120, 135, & 150 3PH
SEE MOTOR TAG
FOR DETAILS
GND
T1
1FU
3FU
L3
L2
L1
1T
2FU
T3
T2
MTR
1 DISC
1M
1OL
INCOMING SUPPLY
(BY CUSTOMER)
PROVIDE MAXIMUM
UPSTREAM
PROTECTION PER N.E.C.
CODE 430-52 AND TABLE
430-152.
FUSE REPLACEMENT
1FU & 2FU = FNQ-R-5
3FU = FNM-3
SEE TRANSFORMER FOR
WIRING DATA
OPTIONAL WORK LIGHT
AVAILABLE 60W MAX
(1T MUST BE 250VA)
1
(XOO)
2
E-STOP START
95
3
96
1
(1)
1
(3)
1M
1413
2
1413
97 98
3PB
TOOLPUNCH
6
(OXO)
5
A2
1M
A1
G
1PL
(GRN/YEL)
START
1SS
L
X2
1OL
WORK LIGHT 60W MAX.
L
LASER LIGHT 1MW MAX.
2PB
X1 X2
(WHT)(BLK)
(WHT)(BLK)
E-STOP
1 2
1PB
2
(2)
NOTCHSHEAR
6
(OXO)
5
START
2SS
4
(4)
(17)
(OX)
43
JOG
21
JOGRUN
(RED)
(WHT)
(RED)
19
(BLK)
1FTS
(7)
7
(16)
(OOX)
8
9
(OOX)
10
2LS/TOOL
7
8
(5)
3
(XOO)
4
5 6
1LS/PUNCH
2CVC
1CVC
X2
(RED)
(RED)
(BLK)
(BLK)
3SS
(XO)
4PB
43
43
(8)
17
18
4
(6)
(13)
(OX)
43
21
PROBERUN
(RED)
(WHT)
(RED)
9
(BLK)
2FTS
1
(XOO)
2
(12)
7
(15)
(OOX)
8
9
(OOX)
10
4LS/NOTCH
12
(10)
3
(XOO)
4
10
3LS/SHEAR
4CVC
3CVC
X2
(RED)
(RED)
(BLK)
(BLK)
4SS
(XO)
(9)
20
21
(11)
1
(XOO)
2
13
11
BLUE
16
BROWN
GRN/YEL
15
14
1CR
21
22
32
31
4443
4
SOCKET
PROBE
X2
A2A1
1CR
REMOVE JUMPER IF RUN/PROBE
SELECTOR SWITCH IS INSTALLED
1FAN2FAN
MALE
FEMALE
BLOCK
TERMINAL
BLUE
BROWN
GRN/YEL
WHT
RED
BLK
SWITCH
PROBE
PN 033221 RATING TABLE
MAX. HP
MOTOR FLA
OVERLOAD
LINE VOLTAGE (3PH)
230
10
25
ZB32-32
460
10
12.5
208
10
27.6
ZB32-32
575
10
9.6
380
10
15.8
ZB32-16 ZB32-16 ZB32-16
CR - CONTROL RELAY
CVC - CONTROL VALVE COIL
DISC - DISCONNECT
FTS - FOOT SWITCH
FU - FUSE
LS - LIMIT SWITCH
M - MOTOR START RELAY
OL - OVERLOAD (THERMAL)
PB - PUSH BUTTON
PL - PILOT LIGHT
SS - SELECTOR SWITCH
T - TRANSFORMER
TERMINAL STRIP #
WIRE #
WIRE COLOR
COMPONENT TERMINAL #
NORMAL POSITION
OPTIONAL EQUIPMENT
COMPONENT
1
(2)
BLK
3
(XO)

Table of Contents

Related product manuals