EasyManua.ls Logo

Scotchman DO-150-24M - Hydraulic Schematics

Scotchman DO-150-24M
121 pages
Print Icon
To Previous Page IconTo Previous Page
To Previous Page IconTo Previous Page
Loading...
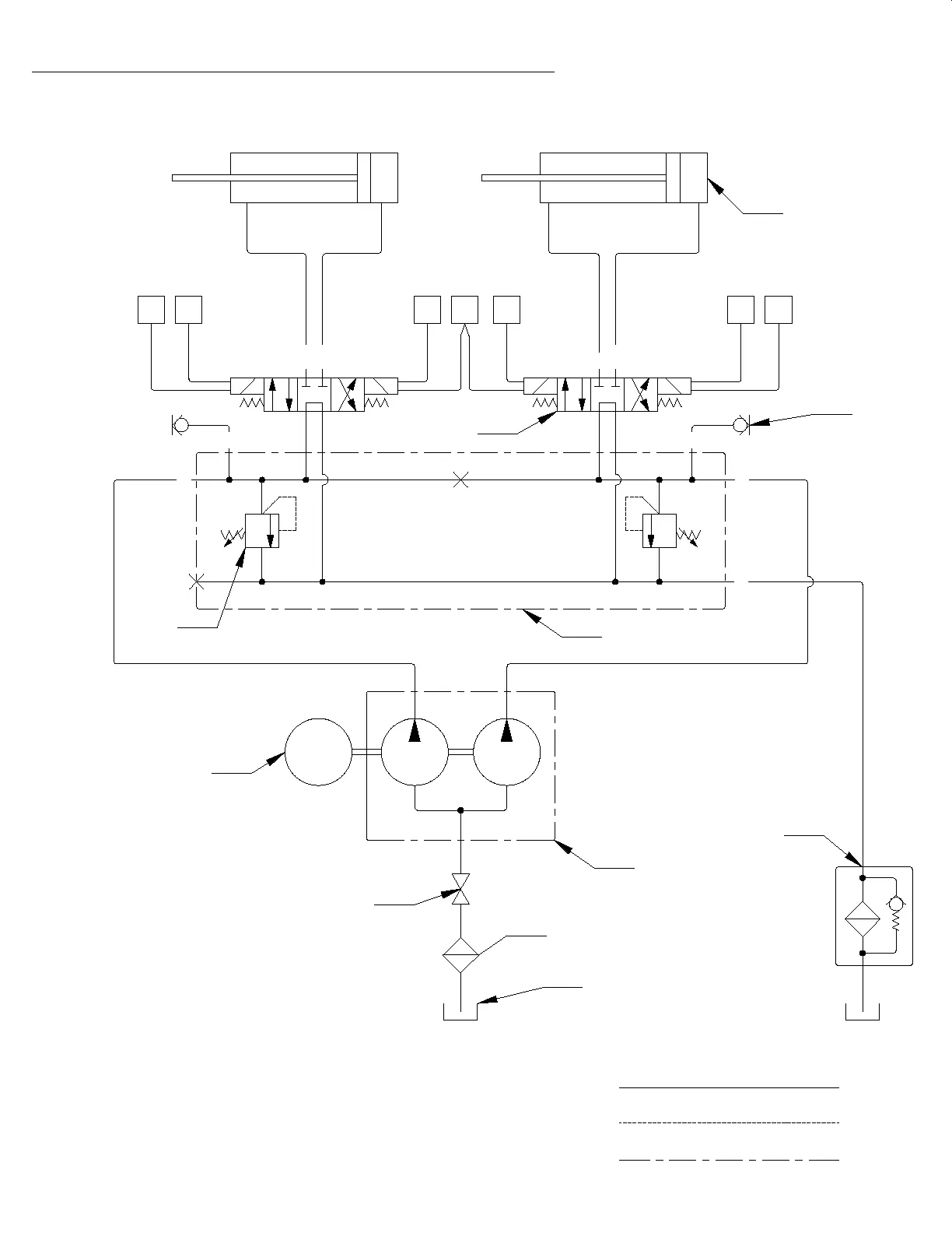
11.0 HYDRAULIC SCHEMATIC
PAGE 120
3500 PSI
241 BAR
1 = TANDEM GEAR PUMP
2 = 10 H.P. AC MOTOR
3 = PRESSURE RELIEF (2)
4 = DO5 4-WAY SOLENOID VALVE (2)
5 = RETURN FILTER
6 = SUCTION STRAINER
7 = VALVE MANIFOLD
8 = 14 GAL (53L) VENTED RESERVOIR
9 = DOUBLE ACTING CYLINDER (2)
10 = MANUAL SHUT-OFF VALVE
11 = LINE PRESSURE TEST PORT (2)
3500 PSI
241 BAR
9 GPM
(34 LPM)
9 GPM
(34 LPM)
A
B B
A
PUNCH CYL
SHEAR CYL
1311
SOL 1 SOL 2
SOL 3 SOL 4
X2
86
X2 X2
9
P
T
P
T
M
TP TP
1
2
3
4
5
6
7
8
10
11
LINE, WORKING MAIN
LINE, PILOT
LEGEND
COMPONENT ENCLOSURE
SCOTCHMAN INDS. - 180 E US HWY 14 - PO BOX 850 - PHILIP, SD 57567 Call: 1-605-859-2542

Table of Contents

Related product manuals