EasyManua.ls Logo

Scotchman DO-150-24M - Page 17

Scotchman DO-150-24M
121 pages
Print Icon
To Next Page IconTo Next Page
To Next Page IconTo Next Page
To Previous Page IconTo Previous Page
To Previous Page IconTo Previous Page
Loading...
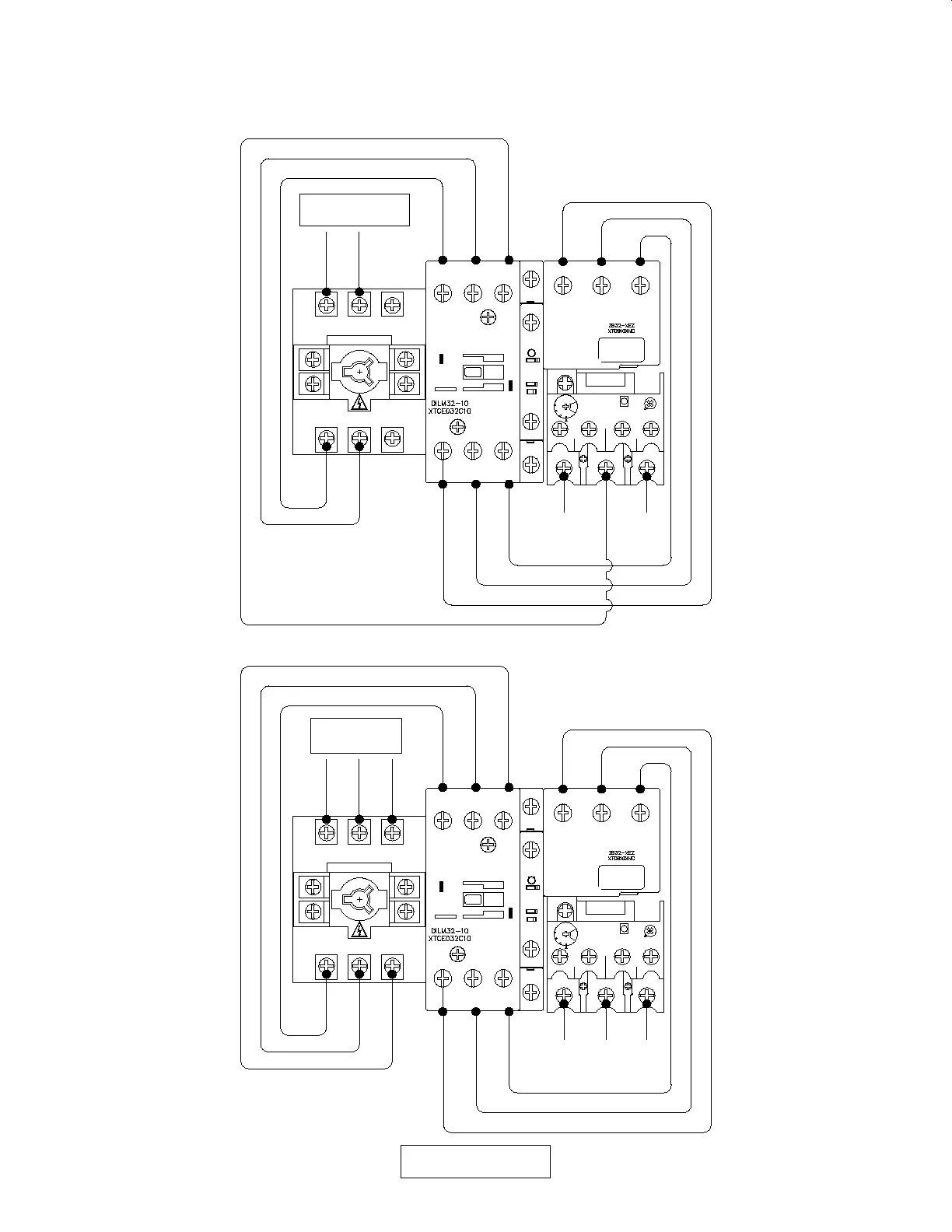
L1 L2 L3
T1 T2 T3
DISCONNECT
2 T1 4 T2 6 T3
1 L1 3 L2 5 L3
A1
A2
14 NO
13 NO
1M
3 PHASE
INCOMING POWER
1 L1 3 L2 5 L3
T36T24T12
AH
RESET
TEST
NC
22
14
NO
NONC
9796 9895
_OL_
ZB32-32
2
6
A
4
8
OVERLOAD
TO MOTOR
L1 L2 L3
T1 T2 T3
DISCONNECT
2 T1 4 T2 6 T3
1 L1 3 L2 5 L3
A1
A2
14 NO
13 NO
1M
SINGLE PHASE
INCOMING POWER
1 L1 3 L2 5 L3
T36T24T12
AH
RESET
TEST
NC
22
14
NO
NONC
9796 9895
_OL_
ZB32-32
2
6
A
4
8
OVERLOAD
TO MOTOR TO MOTOR
FIGURE 4A
PAGE 16

Table of Contents

Related product manuals