EasyManua.ls Logo

Scytek electronic 600 - Page 22

Default Icon
24 pages
Print Icon
To Next Page IconTo Next Page
To Next Page IconTo Next Page
To Previous Page IconTo Previous Page
To Previous Page IconTo Previous Page
Loading...
Page 18 - Astra 600
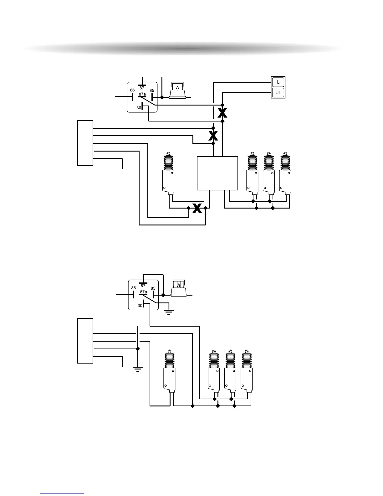
Two SStage DDoor LLock DDiagrams ccont’d
(+) Door Lock wire
(+) Door Unlock wire
DRIVER DOOR
MOTOR
PASSENGER DOOR
MOTORS
15A FUSE
CUT
FACTORY
DOOR LOCK
MODULE
+12V
+12V
White wire
Green wire
Blue wire
Brown wire
Violet wire
DOOR LOCK
CONNECTOR
DOOR LOCK
SWITCH
CUT
CUT
Blue/white wire
(-) PASSENGER
UNLOCK
Two Stage Reverse Polarity
DRIVER DOOR
MOTOR
PASSENGER DOOR
MOTORS
15A FUSE
+12V
+12V
White wire
Green wire
Blue wire
Brown wire
Violet wire
DOOR LOCK
CONNECTOR
Blue/white wire
(-) PASSENGER
UNLOCK
Two Stage Adding Actuators

Related product manuals