EasyManua.ls Logo

Scytek electronic 600 - 10 Two Stage Door Lock Diagrams

Default Icon
24 pages
Print Icon
To Next Page IconTo Next Page
To Next Page IconTo Next Page
To Previous Page IconTo Previous Page
To Previous Page IconTo Previous Page
Loading...
Astra 600 - Page 17
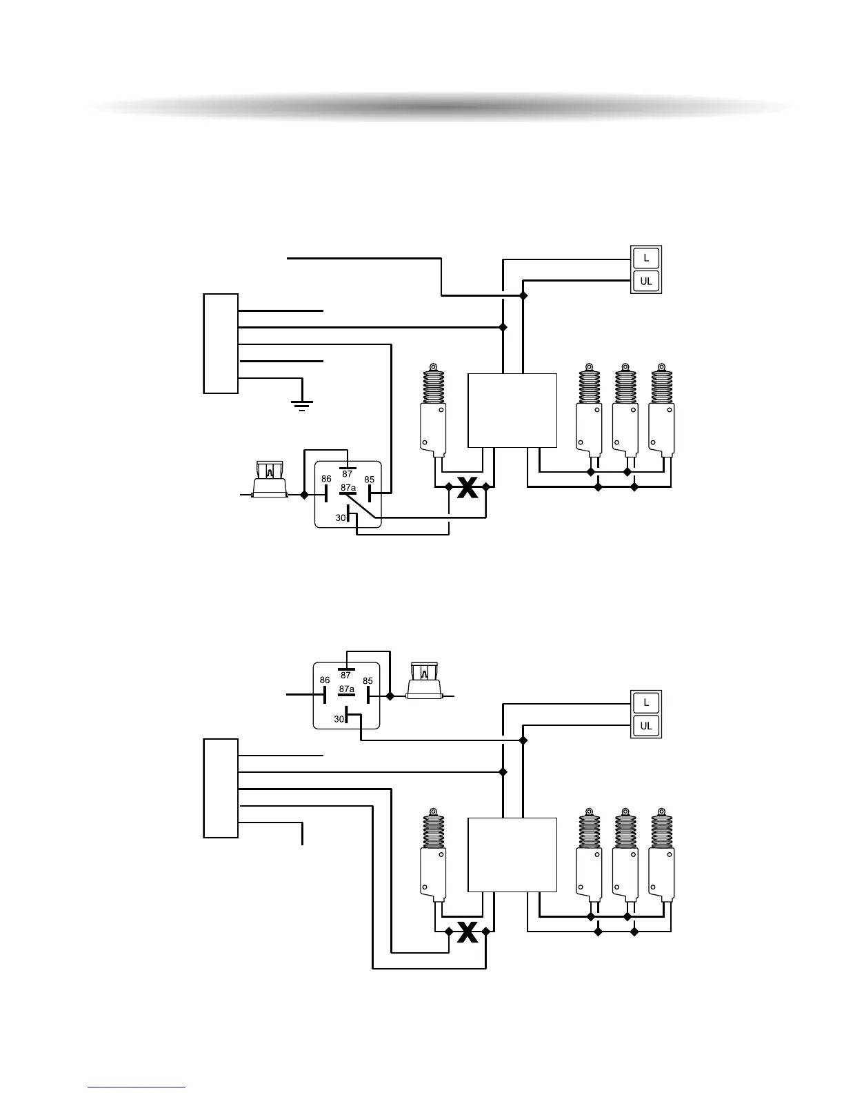
Two SStage DDoor LLock DDiagrams
(-) Door Lock wire
(-) Door Unlock wire
DRIVER DOOR
MOTOR
PASSENGER DOOR
MOTORS
15A FUSE
CUT
FACTORY
DOOR LOCK
MODULE
+12V
White wire
Green wire
Blue wire
Brown wire
Violet wire
DOOR LOCK
CONNECTOR
DOOR LOCK
SWITCH
NOT USED
NOT USED
Blue/white wire
(-) PASSENGER
UNLOCK
(+) Door Lock wire
(+) Door Unlock wire
DRIVER DOOR
MOTOR
PASSENGER DOOR
MOTORS
15A FUSE
CUT
FACTORY
DOOR LOCK
MODULE
+12V
+12V
White wire
Green wire
Blue wire
Brown wire
Violet wire
DOOR LOCK
CONNECTOR
DOOR LOCK
SWITCH
NOT USED
Blue/white wire
(-) PASSENGER
UNLOCK
Two Stage Negative Trigger
Two Stage Positive Trigger
The Astra 600 is equipped with a dedicated Passenger Unlock output allowing Two Stage Door
Lock operation. When connected as shown below, disarming the system will unlock only the
driver’s door. Pressing the disarm button again will unlock all doors.

Related product manuals