EasyManua.ls Logo

SDEC D Series - Page 73

SDEC D Series
127 pages
Print Icon
To Next Page IconTo Next Page
To Next Page IconTo Next Page
To Previous Page IconTo Previous Page
To Previous Page IconTo Previous Page
Loading...
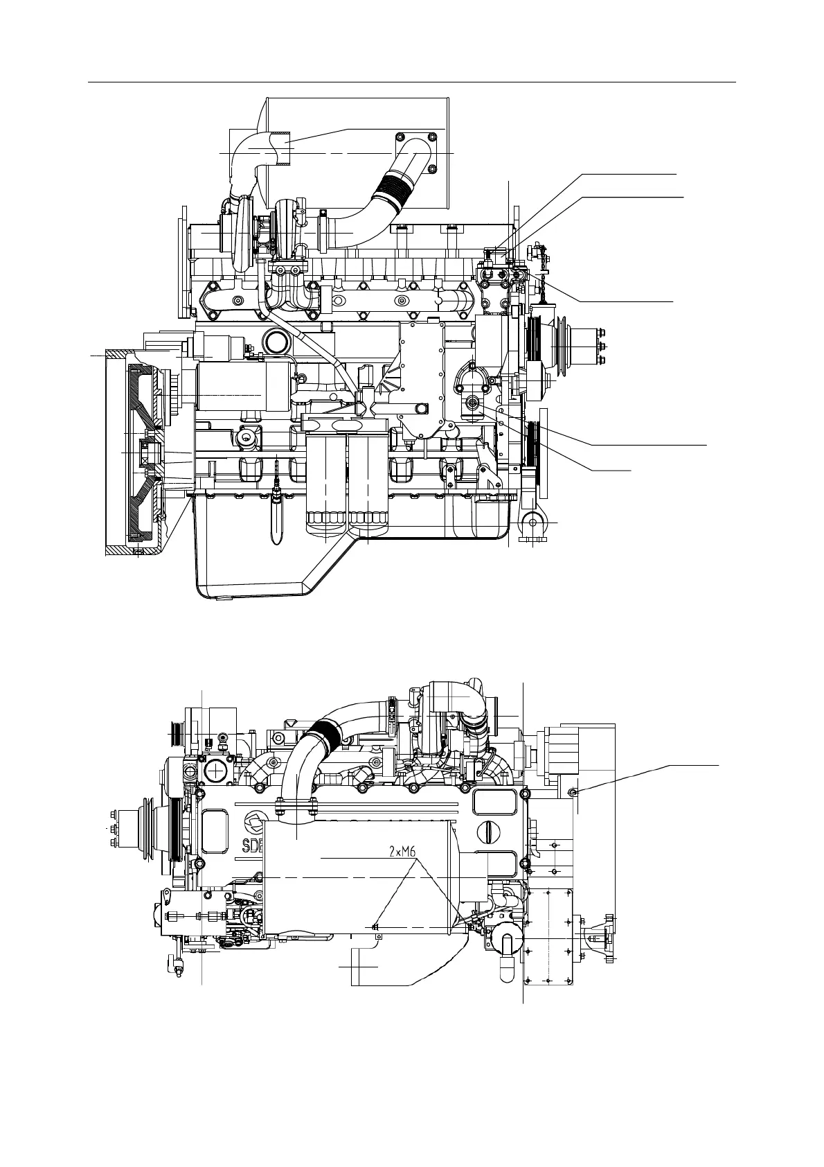
Operation and Maintenance Manual SC9DF Electronically Controlled Diesel Engine for Agricultural Equipment
10
EXHAUST OUTLET
AIR BLEED JIONT
COOLANT OUTLET
Z3/8 JOINT ADAPTER
Z3/8 WARM COOLANT OUTLE
T
COOLANT INLET
JOINT, SPEED SENSOR
JIONT,HEATER
Exhaust side view
Top view

Table of Contents