EasyManua.ls Logo

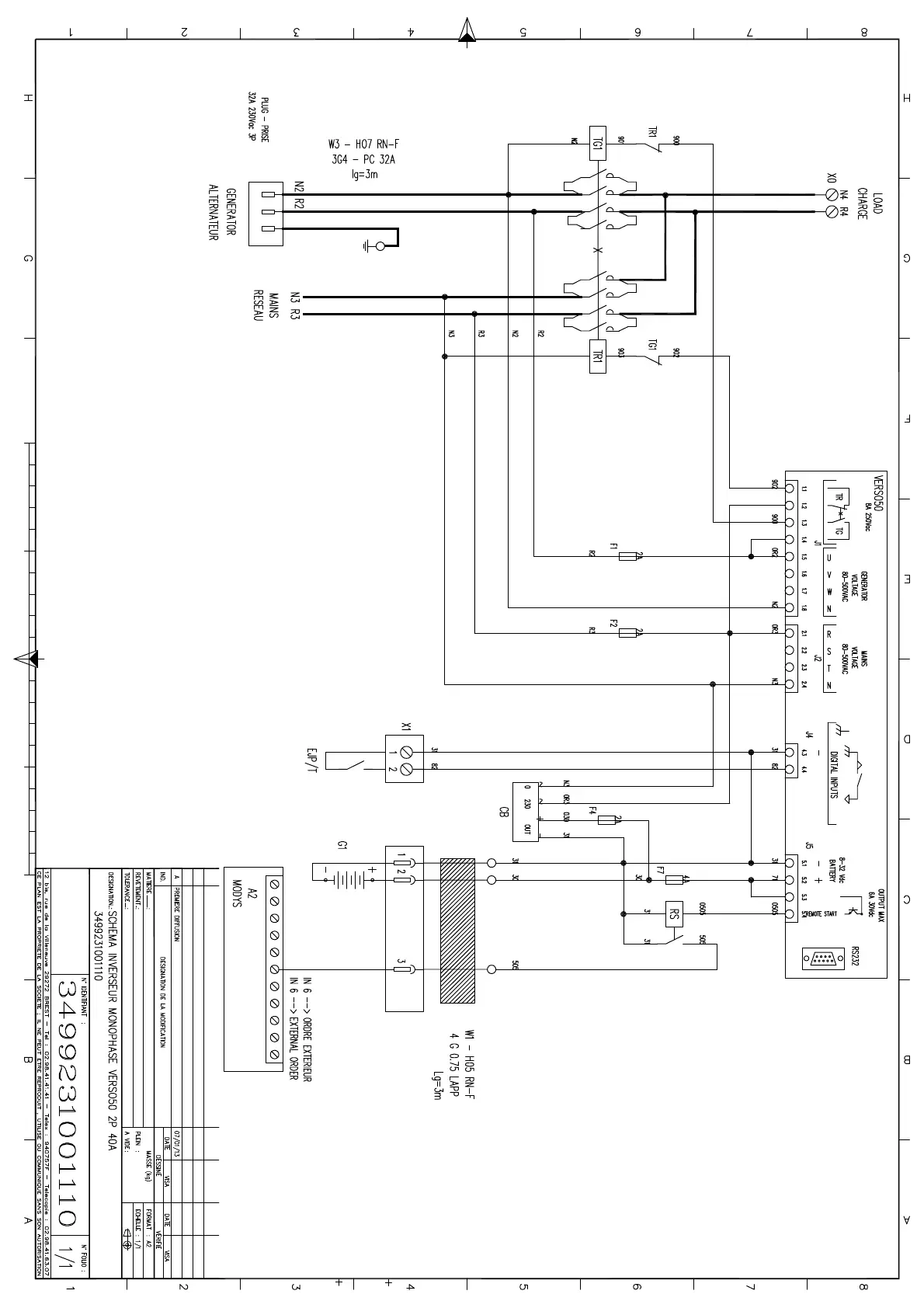
SDMO VERSO 50 - 3- PANELS - ELECTRICAL DRAWINGS; 3-1 Single Phase - 40 A

SDMO VERSO 50
24 pages
Print Icon
To Next Page IconTo Next Page
To Next Page IconTo Next Page
To Previous Page IconTo Previous Page
To Previous Page IconTo Previous Page
Loading...
3- PANELS - ELECTRICAL DRAWINGS
3-1 Single Phase - 40A
VERSO 50_v1.0.27_EN.doc 33502027401_3_1 Page 20/24

Related product manuals