EasyManua.ls Logo

SDMO VERSO 50 - 1-4 Electrical Installations

SDMO VERSO 50
24 pages
Print Icon
To Next Page IconTo Next Page
To Next Page IconTo Next Page
To Previous Page IconTo Previous Page
To Previous Page IconTo Previous Page
Loading...
VERSO 50_v1.0.27_EN 33502027401_3_1 page 5/24
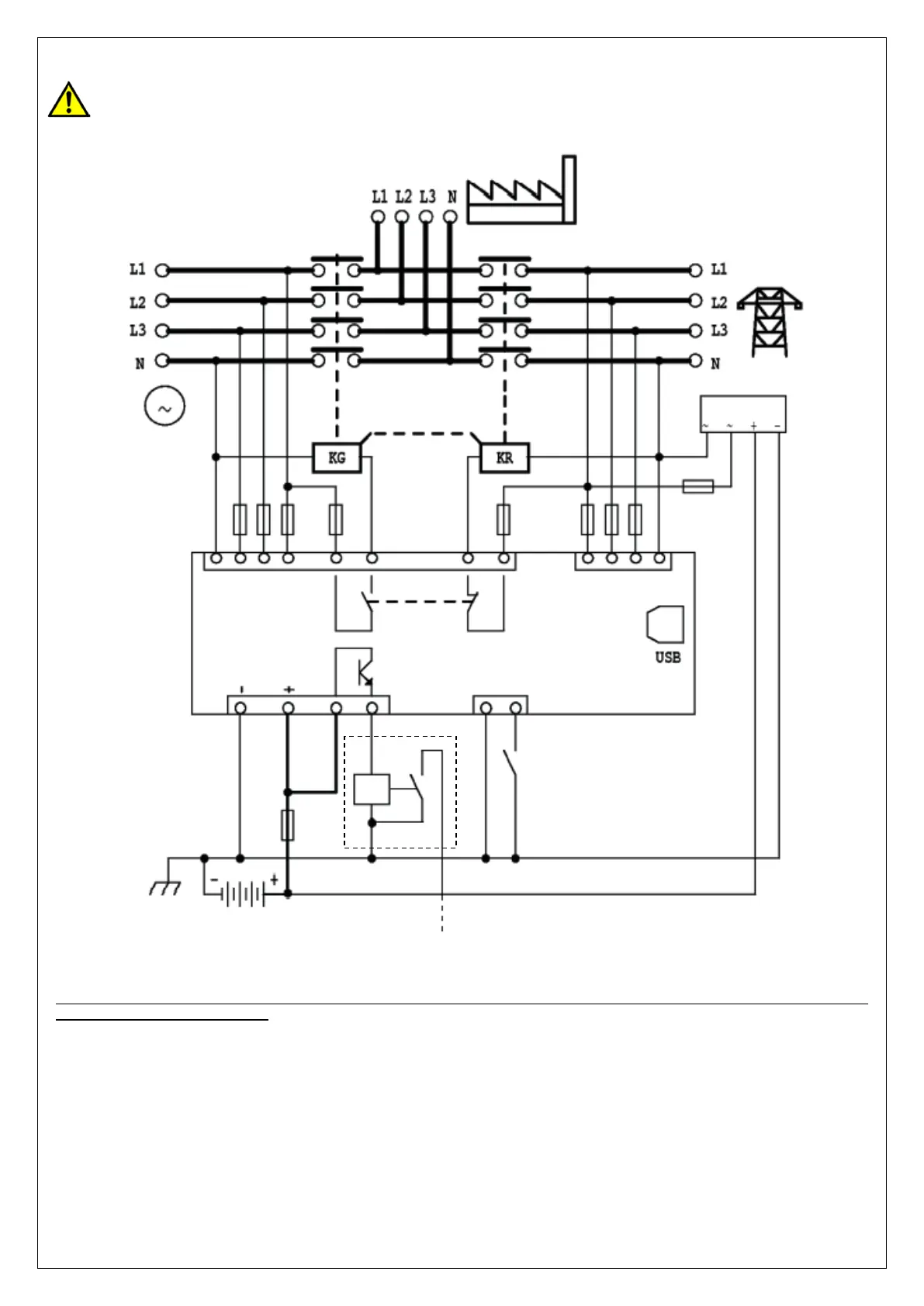
1- 4 Electrical Installations
Warning! Before inserting the plugs and supply the board, make sure that the connections strictly comply with the wiring
diagram below.
NOTE: The remote start output is a positive. If you want to use a negative instead of a positive, it’s possible to use an external relay
as shown in the electrical drawing.
1.8 1.7 1.6 1.5 1.4 1.3 1.1 1.2 2.1 2.2 2.3 2.4
5.1 5.2
5.3 5.4
4.3 4.4
RELAY
A2 -
REMOTE
START
A1 +
VERSO 50

Related product manuals