EasyManua.ls Logo

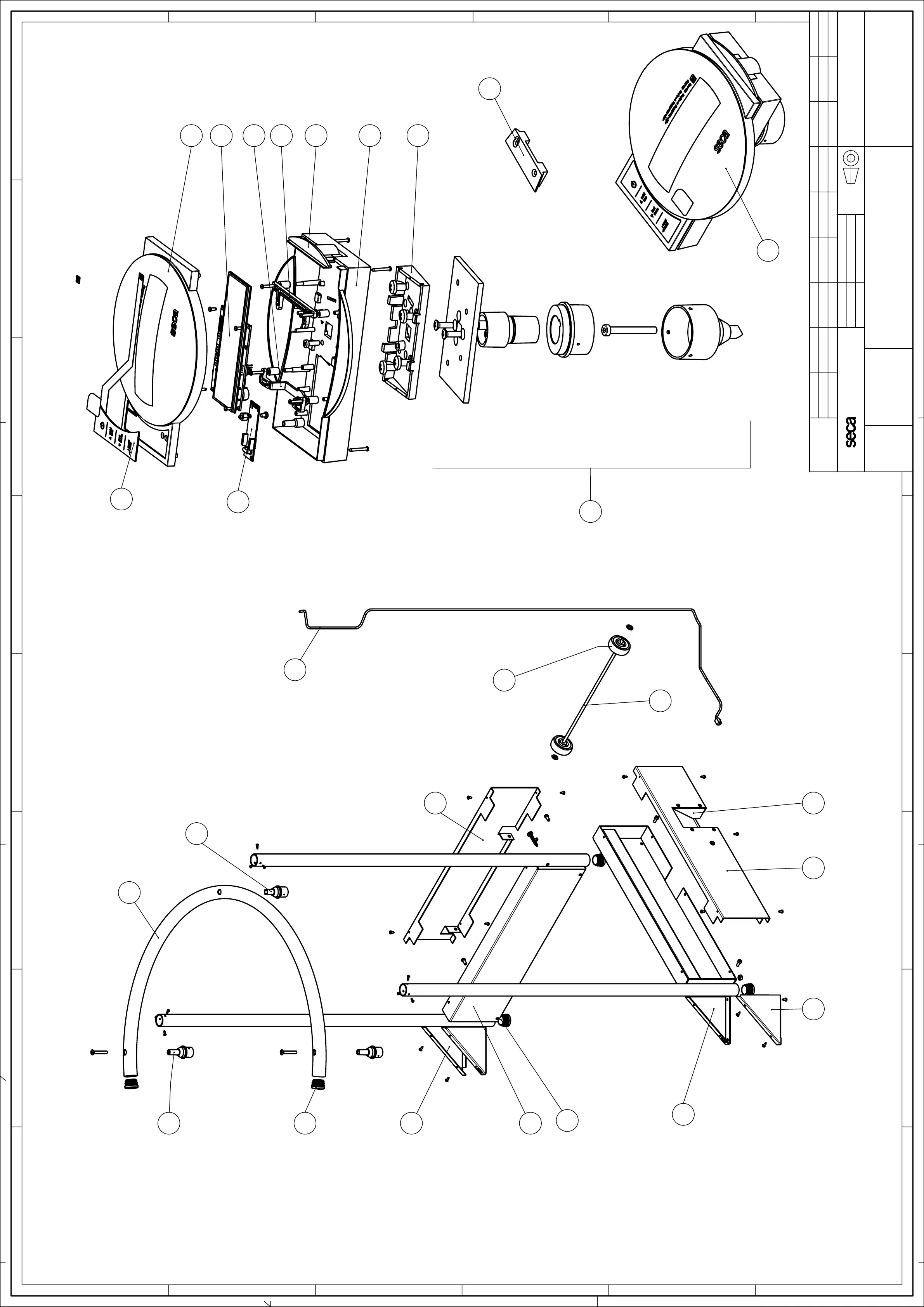
Seca 644 Series - Spareparts drawing 644,645 assembly

Seca 644 Series
74 pages
Print Icon
To Next Page IconTo Next Page
To Next Page IconTo Next Page
To Previous Page IconTo Previous Page
To Previous Page IconTo Previous Page
Loading...
1
2 34
5
6
7
8
10
11
12
9
14
15
16
17
18
19
20
21
22
23
24
1 : 2
26
13
25
27
8
7
6 5
4
3
2
1
F
E
D
C
B
A
4
56
7
8
A
B
C
D
E
F
Index / REVISION:
1:5
Schielmann
Ersatzteilzeichnung 644,645 Aufbau
Spareparts drawing 644,645 assembly
Werkstoff / MATERIAL :
HAMBURG
Geprüft / APPROVED Ver. _
Datum/Name:
PROJECTION
T:\ARCHIV_DBWORKS\Firma\30-\30-34-\30-34-00-838
Änd.Mitteil. / CHANGE:
ALL RIGHTS CONCERNING THIS DOCUMENT AND ITS
CONTENTS RESERVED. Alle Rechte an und aus diesen
Unterlagen verbleiben
seca gmbh. & co. kg.
30-34-00-838
Nr. / NO. :
23.07.2012
Benennung / TITLE :
Blatt/SHEET 1/1
Mittwoch, 19. September 2012 10:52:35
Erstellt / DRAWN
Maßstab / SCALE :

Table of Contents

Related product manuals