EasyManua.ls Logo

SemaConnect 6 Series - Shared Power

SemaConnect 6 Series
27 pages
Print Icon
To Next Page IconTo Next Page
To Next Page IconTo Next Page
To Previous Page IconTo Previous Page
To Previous Page IconTo Previous Page
Loading...
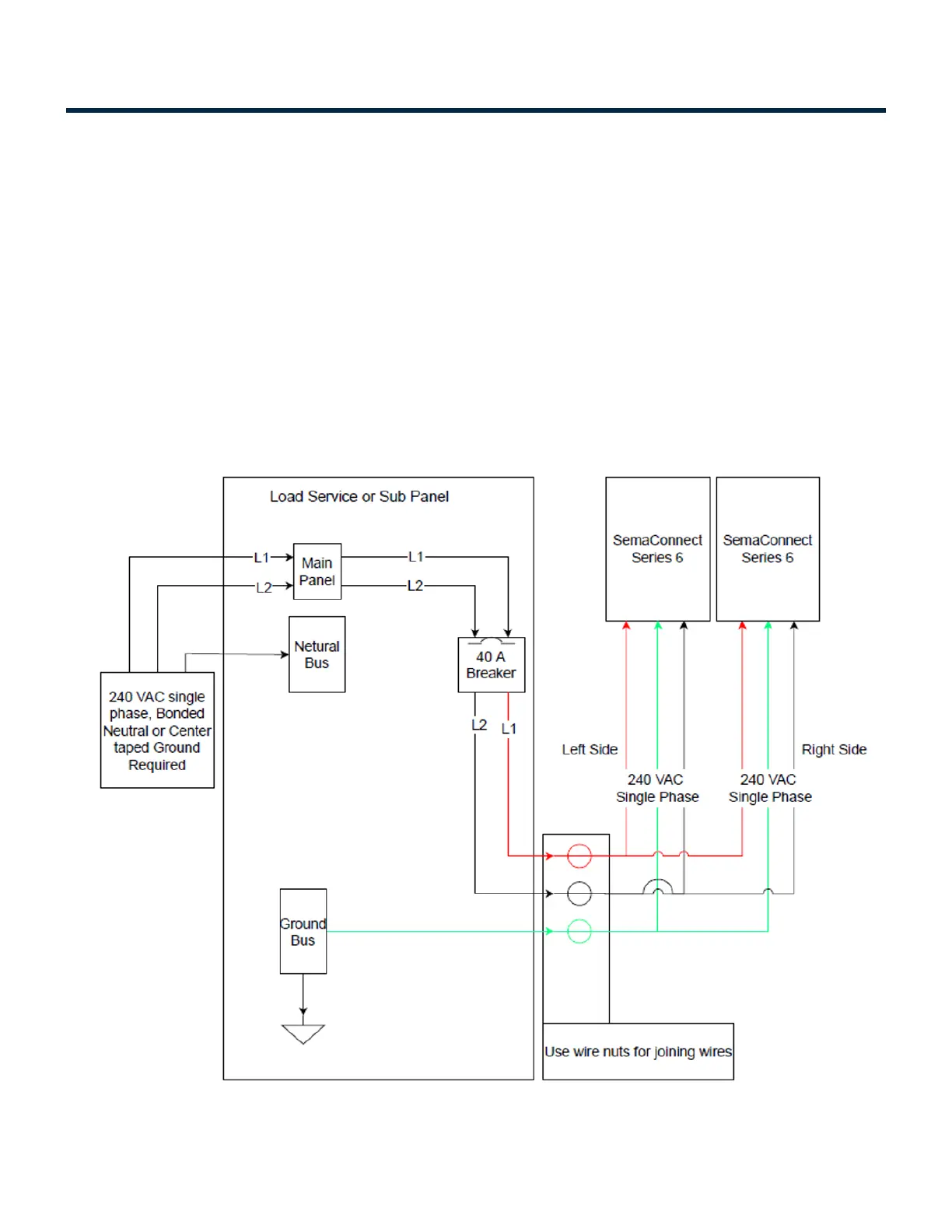
1.4.3. Shared Power
All wiring used in the installation must meet NEC guidelines for supplying 30A
continuously.
1. Each EV charging station shall be on a dedicated electrical circuit.
2. Each station shall be protected with a 40 Amp 2-pole common trip circuit breaker (non-GFCI type).
3. Each station is designed to draw a maximum of 30Amps.
4. Each station can operate on either a 240V or 208V circuit. Wire size should meet NEC guidelines for
40A circuit breaker supplying 30A current.
5. Each station requires three electrical supply wires (two hot, one ground, no neutral).
6. All data communication is wireless, so no data cabling needed, but cellular communication is required.
Station wiring Diagram – Shared Power
Installation Manuals Series 6 EV Charging Station - 1
Copyright ©2021 SemaConnect, Inc. All rights reserved. Page 12 of 25

Other manuals for SemaConnect 6 Series

Related product manuals