EasyManua.ls Logo

Sharp Aquos LC-37GA4X - Connecting a PC

Sharp Aquos LC-37GA4X
63 pages
Print Icon
To Next Page IconTo Next Page
To Next Page IconTo Next Page
To Previous Page IconTo Previous Page
To Previous Page IconTo Previous Page
Loading...
34
Using external equipment
NOTE
• Macintosh adaptor may be required for use for some Macintosh computers.
When connecting to a PC, the correct input signal type is automatically detected. (See page 42.) If the PC image does
not come in clearly, you may need to set the Auto Sync. adjustment in the “Setup” menu. (See page 36.)
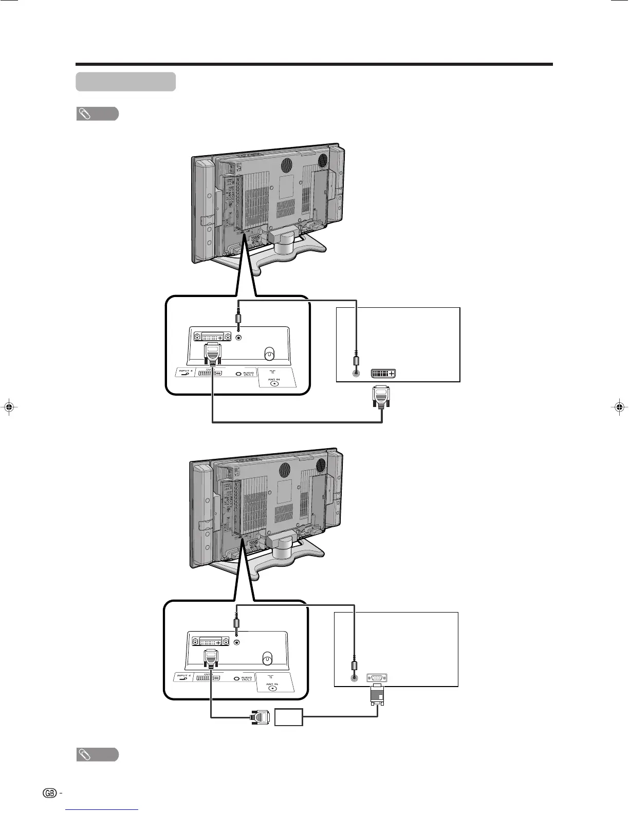
Connecting a PC
Use the INPUT4 terminals to connect a PC.
NOTE
The PC input terminals are DDC1/2B-compatible.
Refer to page 52 for a list of PC signals compatible with the TV.
ø 3.5 mm stereo minijack cable
(commercially available)
PC
ø 3.5 mm stereo minijack cable
(commercially available)
RGB/DVI conversion cable
(commercially available)
DVI cable
(commercially available)
To watch the image from this
input terminal, you need to
select input source (see
page 31) and input signal
type (see page 37).
PC
LC-32_37GA4X(E)-f 04.9.17, 7:50 AM34

Table of Contents

Related product manuals