EasyManua.ls Logo

Sharp AR-M276 - Actual Wiring Diagram

Sharp AR-M276
144 pages
Print Icon
To Next Page IconTo Next Page
To Next Page IconTo Next Page
To Previous Page IconTo Previous Page
To Previous Page IconTo Previous Page
Loading...
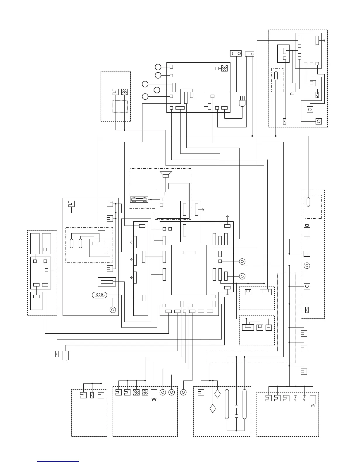
AR-M236/M276/M237/M277 ELECTRICAL SECTION 12 - 2
2. Actual wiring diagram
2nd Lift-Up Unit
Duplex Pout Sensor
Thermister 1
Heater Lamp 1
Thermister 2
Heater Lamp 2
FUSING UNIT
Lift Up
Motor
PS Cluch
Cassette
Sensor Sw
Casette
Sensor
PWB
1st CASSETTE
Pick Up
Solenoid
Hand Paper
IN Sensor
Hand Paper
Empty Sensor
Harness Guide
Cassette
Dehumidification
heater
Shifter HP Sensor
Paper Out Sensor
Cooling Fan
Cooling Fan
Pout Gate Solenoid
Shifter Motor
Dupex 2 Motor
Dupex Motor
1st PAPER EXIT UNIT
Interlock SW
Separation Pawl
Solenoid
Hand Paper
Solenoid
Hand Paper
Tray 1
Hand Paper
Tray 2
Hand Paper
Size Sensor 1
Hand Paper
Size Sensor 2
Hand Paper
Width Sensor PWB
MANUAL FEED UNIT
Duplex 2
Sensor PWB
AC SW
Dehumidification
Heater SW
BCTC
MCFB
GRID
MC
PS Fan
OZON Fan
Paper Exit
Sensor
Harness Holder
PAPER EXIT TRAY UNIT
TCS
CRUM
PWB
DV UNLVS UN
OPU PWB
Key
PWB
Operation Panel
OP CONNECTOR PWB
MCU-PWB
IMC-PWB
Fax-PWB
to PCL PWB
or
GDI PWB
Main
Motor
Toner
Motor
Mirror HP
Sensor PWB
OC Cover
Sensor
Paper Size Sensor
Paper
Size
Sensor
OPTICAL BASE PLATE
CCD PWB
Copy
Lamp
Mirror
Motor
Dehumidification
Heater PWB
Mirror
Dehumidification
heater
OPTION
Paper Out 2 Sensor
Cover SW
Paper Full Detection Sensor
2nd PAPER EXIT UNIT
OPTION
to Coinvender
POWER SUPPLY PWB
to Finisher UNto RSPF UN
RIC/Down Load
LCD UN
Touch Panel
to Auditor
2nd CASSETTE UNIT
Cassette
Paper Feed
SW
Door Open/Close detection SW
Paper Feed Solenoid
2nd Paper Feed
Cluch
Transport Cluch
2nd Interface PWB
2nd Cassette Sensor PWB
Cassette Dehumidification
Heater
OPTION
PM PWB
BPC
APC
to 3rd Casette
Thermostat 1
Thermostat 2
OPTION
SPEAKER
HAND SET
(1/11)
Lens
Dehumidification
heater

Other manuals for Sharp AR-M276

Related product manuals