EasyManua.ls Logo

Sharp CD-BP2000W - Page 23

Sharp CD-BP2000W
72 pages
Print Icon
To Next Page IconTo Next Page
To Next Page IconTo Next Page
To Previous Page IconTo Previous Page
To Previous Page IconTo Previous Page
Loading...
– 23 –
CD-BP2000W/210W/2000A/BK2000W/210W
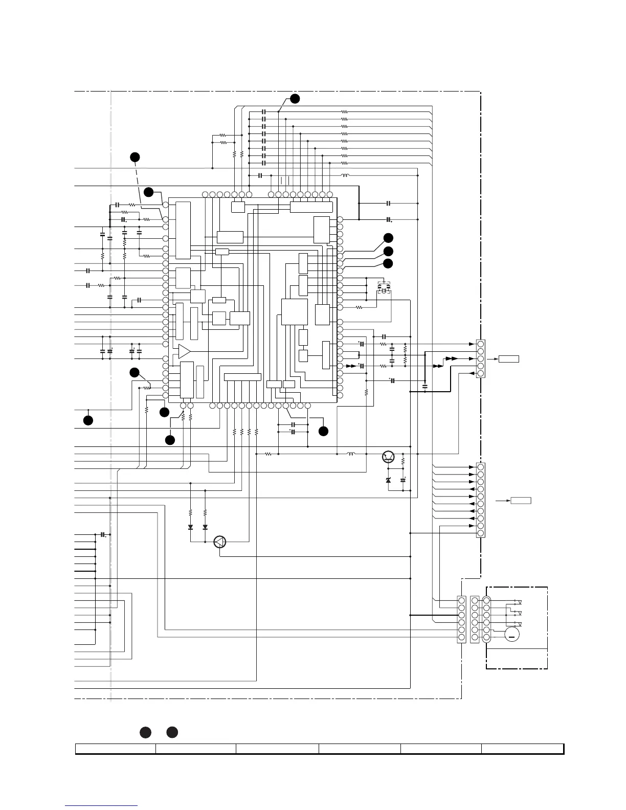
Figure 23 SCHEMATIC DIAGRAM (2/11)
7
8 9 10 11 12
• The numbers 1 to 13 are waveform numbers shown in page 17.
11
10
9
8
7
6
5
4
3
2
1
PCKIST
JITTC
JITTV
EFMIN
SLCO
SLCIST
HFL
FR
VVDD
VVSS
PD02
PD01
24
23
22
21
20
19
18
17
16
15
14
13
FDO
TDO
TBLO
BHREF
PHREF
ADAVSS
ADAVDD
VREF
TE
FE
PH(RFENV)
BH
12
SPDO
FG(D_Vref)
SLDO
TEST
DOUT
VDD
C2F
PCK
40
39
38
37
36
35
34
33
32
31
30
29
28
27
26
25
EFLG
51
50
49
48
47
46
45
44
43
42
41
63
62
61
60
59
58
57
56
55
54
53
52
64
FSX
CONT5
CONT4
CONT3
CONT2
CONT1
LASER
SERIAL
OUT
EXTERNAL
AUDIO IN
DIGITAL
FILTER
1BIT
DAC
LPF
INTERPOLATION
MUTE
ATTENUATION
DEEMPHASIS
AUDIO
OUT
ERROR
CORRECT
FRAME SYNC
DEFECT,PROTECT
EFM DECODE
CLV
CONTROL
CLOCK
GENERATOR
GENERAL
SUBCODE
DECODE
CRC
COMMAND
INTERFACE
GENERAL
SW
SERVO
PROCESSEROR
AUTO
ADJUST
-
+
S/H
JITER
DEFECT
CONTROL
A/DSW
SLICE
LEVEL
CONTROL
PLL
VCEC
D/A
+B
EMPH
MUTEL
MUTER
LVDD
LCHO
XVDD
LVSS
RVSS
RCHO
RVDD
XIN
XOUT
XVSS
ASLRCK
ASDACK
ASDFIN
LRSY
DATACK
DATA
16M
SFSY
SBSY
PW
SBCK
CE
CL
DI
DO
INT
WRQ
RES
DEF
VDD5V
73
72
71
70
69 68
67
66
65
CONT7
CONT6
VSS
V/vP
FSEQ
EFMO
80
79 78
77
76
75
74
O/C
DISC_NO
+5V
DGND
AGND
L-CH
R-CH
+B
P26 1 - A
TO MAIN PWB
1
2
3
4
5
CNS601
INT
DRF
WRQ
CE
DO
DI
CL
RES
DRF
GND
CD RES
DI
CLK
DO
CE
WRQ
CDINT
CLAMP SW
10
9
7
1
2
3
4
5
6
8
+B
+B
+B
+B
+B
P25 10 - A
CNS703
TO DISPLAY PWB
CONSTANT
VOLTAGE
DISC_NO
O/C
GND(D)
M-
M+
1
2
3
4
5
66
5
4
3
2
1
5
4
3
2
1
6
CD LOADING
MOTOR PWB-F
1
32
+B
V
CC3
V
CC2(SPN)
S
P-
S
P+
S
PO
G
ND
+B
M
R8
330
R10
27K
C26
0.047
C22
100P
R80
1M
R79
1.5M
C24
2.2/50
C21
0.1
C23
0.047
R12
680
R14
1.2K
R11
12K
R13
680
C81
0.022
C27
0.1
C17
0.0047
R15
10K
C20
0.1
C42
68P
C41
100/10
C28
47/10
C82
0.022
R44
1K
C29
0.1
EFBL
R35
1K
R38
270
TDO
SLDO
SPDO
FDO
R39
470
R16
10K
R17 1K
R46 1K
R45 1.2K
R40 1.2K
C31
100/10
C30
0.1
L61
0.82µH
C64
0.47/6.3
ZD61
DZ3.9BSB
R19
47
C39
10/16
R58
220
Q1
2SC3203 Y
C56
330/6.3
C83
0.022
R84
10K
C40
0.0015
C43
0.0015
R83
10K
C34
0.022
R82
2.2K
R81
2.2K
C38
10/16
R20
220
XL1
16.9344MHz
C45
100/10
C44
0.1
C80
0.1
R73 1K
R71 1K
C72 0.01
R72 1K
C71 100P
C73 100P
C75 100P
C76 100P
C77 100P
C78 100P
R75 1K
R76 1K
R77 1K
R78 1K
C74 100P
R74 1K
L62
2.2µH
RES
WRQ
CE
DO
CL
DI
DRF
INT
R94
10K
R95
10K
R67 1K
R68 1K
CNP11
CNP12
CNP4
SW3
DISC
NUMBER
SW2
CLAMP
SW1
OPEN/
CLOSE
+
-
M3
T/T
UP/DOWN
LOADING
D21
DS1SS133
R21
470
R22
470
Q2
KRC102M
D22
DS1SS133
C47
100/16
L
OADING M-
V
CC4
L
D_M+
L
D_M-
L
OADING M+
SPDO
+B
+B
+B
+B
+B
+B
+B
+B
+B
+B
BI4
CNS4
IC2
LC78641E
SERVO/SIGNAL
CONTROL
C25
0.1
1
6
9
13
2
10
11
12
3
7
8

Related product manuals