EasyManua.ls Logo

Sharp LC-30HV4E - Page 112

Sharp LC-30HV4E
248 pages
Print Icon
To Next Page IconTo Next Page
To Next Page IconTo Next Page
To Previous Page IconTo Previous Page
To Previous Page IconTo Previous Page
Loading...
112
LC-30HV4E
87109654321
A
B
C
D
E
F
G
H
ËË
ËË
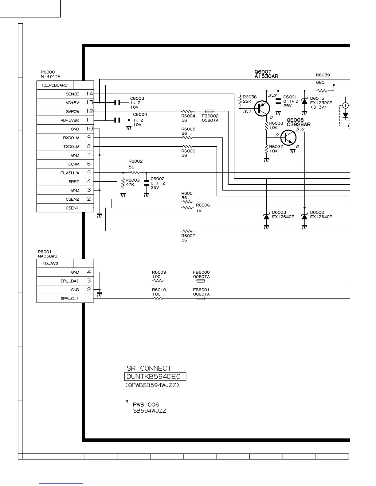
Ë SR Unit (AVC System)

Related product manuals