EasyManua.ls Logo

Sharp LC-30HV4E - Page 113

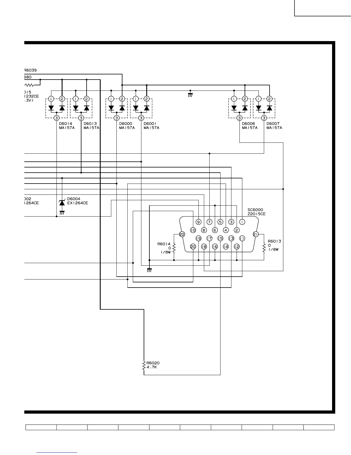
Sharp LC-30HV4E
248 pages
Print Icon
To Next Page IconTo Next Page
To Next Page IconTo Next Page
To Previous Page IconTo Previous Page
To Previous Page IconTo Previous Page
Loading...
113
LC-30HV4E
1716 1918151413121110

Related product manuals