EasyManua.ls Logo

Sharp LC-42SB45U - Page 52

Sharp LC-42SB45U
110 pages
Print Icon
To Next Page IconTo Next Page
To Next Page IconTo Next Page
To Previous Page IconTo Previous Page
To Previous Page IconTo Previous Page
Loading...
LC-42SB45U
52
E8
LDQS
I/O SSTL
Data Mask ×16 Organization
B3 UDM
I SSTL
Data Mask Upper/Lower Byte
F3
LDM
I SSTL
Power Supplies ×16 Organization
J2 V
REF
AI I/O Reference Voltage
E9, G1, G3, G7, G9 V
DDQ
PWR
I/O Driver Power Supply
J1 V
DDL
PWR
Power Supply
E1, J9, M9, R1 V
DD
PWR —
Power Supply
E7, F2, F8, H2, H8 V
SSQ
PWR —
I/O Driver Power Supply
J7 V
SSDL
PWR —
Power Supply
A3, 3,J3,N1,P9 V
SS
PWR —
Power Supply
Not Connected ×16 Organization
A2, E2, L1, R3, R7, R8 NC
NC
— Not Connected
Other Pins ×16 Organization
K9 ODT
I
SSTL On-Die Termination Control
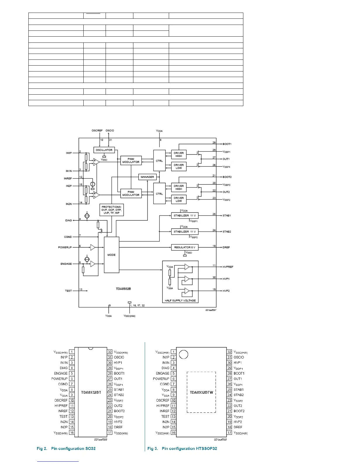
3.5. U600 (TDA8932B)
3.5.1 Block diagram
3.5.1 Pin Connections and short description

Table of Contents

Other manuals for Sharp LC-42SB45U

Related product manuals