EasyManua.ls Logo

Sharp MX-M202D - 2. Actual wiring diagram

Sharp MX-M202D
148 pages
Print Icon
To Next Page IconTo Next Page
To Next Page IconTo Next Page
To Previous Page IconTo Previous Page
To Previous Page IconTo Previous Page
Loading...
MX-M182 ELECTRICAL SECTION 14-2
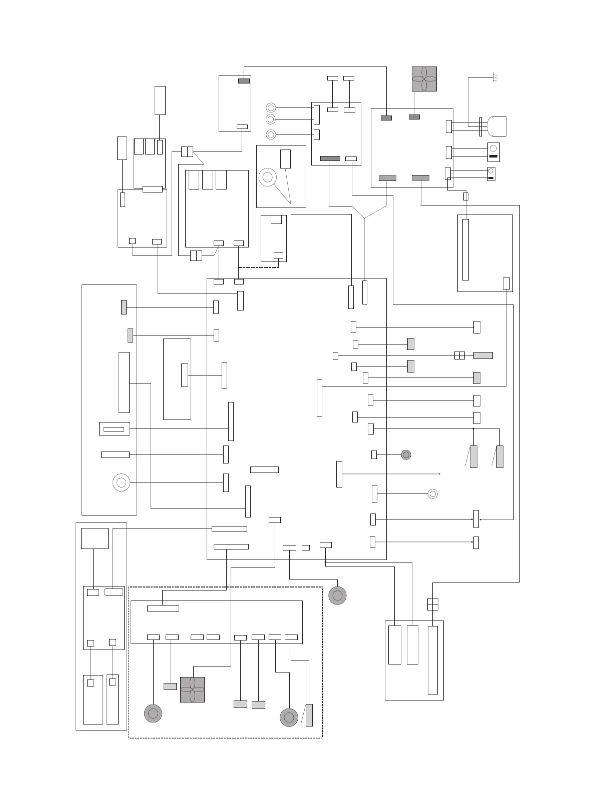
2.Actual wiring diagram
ACTUAL WIRING DIAGRAM 1/8
FE4-32-S15D3-FA
D-SUB25
B3B-PH-K-R
(Red)
04FE-BT-VK-N
(White)
B4B-PH-K-S
(White)
9604S-23F(White)
9615S-16-PP-A
B5B-PH
(White)
B4B-EH
(White)
B3B-PH
(Black)
B04B-PASK
(White)
B4B-PH-K-S
(White)
B2P-VH
(White)
B3P-VH
(White)
B3B-PH-K-S
(White)
B3B-PH-K-K
(Black)
B4B-PH
(White)
B2B-XH-A-S
(White)
B2B-XH-A-K
(Black)
B2B-XH-A-R
(Red)
B3B-PH
(Red)
B12B-PASK
(White)
B22B-PUDSS-1
(White)
B20B-PUDSS-1
(White)
MCU PWB
DUP MOTOR
DUP Model Only
OPTION COIN VENDER
AUDITOR OPTION
PAPER OUT
SENSOR
DUP
SENSOR
COOLING FAN
9604S-23F(White)
SHIFTER HP
SENSOR
SHIFTER MOTOR
LCD-BL PWB
9610S-16B
OPERATION PANEL
Optical base plate
MIRROR MOTOR
COPY LAMP
CCD PWB
CCD-MCU FFC
CL FFC
FFC 1mm
FFC 1.25mm
MIRROR HP
SENSOR
GP1S58
SPF UN
SPF GROUND WIRE
DOCUMENT TRAY HARNESS
SENSOR HARNESS
APC-BD
-PWB
POLYGON
MOTOR
LSU
HVU
BIAS
B07B-PARK
(Red)
TC
BC
MCFBGRIDMC
Power PWB
B15B-XASK-LF
(White)
AC CORD
B03B-XASK-LF
(White)
B04P-VL-LF
(White)
B2P3-VH-LF
(White)
INLET HARNESS
230V ONLY
AC SWITCH
Dehumidifier
heater
SWITCH
Japan only
Japan only
1st TRAY
OR
2nd TRAY
OR
MULTI CASSETTE
P-IN HARNESS
PS SOL
HAND SOLENOID HARNESS
PICK UP
SOL
HANDEMP harness
CASSETTE EMP HARNESS
CASSETTE SW
HARNESS
FRONT COVER SWITCH
SIDE COVER SWITCH
TONER
MOTOR
DV UNIT
CRUM
CRM-MCU HARNESS
DEV HARNESS
28
16
16
B3B-PH-K-S
(White)
B3B-PH-K-K
(Black)
3
B6B-PH-K-R(LF)
(Red)
6
23
23
20
5
3
4
4
4
2
SIDE COVER SW HARNESS
22 3
20
3
32
PALR-02V
PAP-02V-S
3
22
2
AC SW HARNESS
PS HARNESS
B02P-VT(White)
B02P-NV
B02P-NV
(Red)
B3P-VH "Black"
#250
#250
15
7
22
LSU-MCU HARNESS
Scanner HP harness
3
B26B-PUDSS
(White)
32
44
BC
HARNESS
TC
HARNESS
MC HARNESS
GB/MCFB HARNESS
DH PS HARNESS
B03P-VL-LF
(White)
USB2.0
HOST
NNB PWB
OP-PS
HARNESS
JOB SEPARATOR MOTOR
(OPTION)
6
LOWER SWITCH
S6B-PH-K-R(LF)
(Red)
B3B-PH-K-S
(White)
B4B-PH-K-S
(White)
B4B-PH-K-K
(Black)
B3B-PH-K-R(LF)
(Red)
3
3
3
3
KEY-LED PWB
FAX-KEY PWB
16
9610S-28B
9610S-28C
9610S-16C 9610S-16B
KEY-LCD FFC
LCD-FAXKEY
FFC
B3B-PH-K-K
(Black)
OC COVER
SENSOR
GP1S73P
OC COVER HARNESS
3
B16B-PHDSS-B
(White)
16
PS FAN
36
3604-6240-036
-013-894+(ELCO)
B05B-PASK
(White)
MAIN MOTOR
(MOTORside connector 5PIN) 18/20CPM only
(MOTOR side connector 7PIN) 23CPM only
5
MAIN MOTOR
HARNESS
12
OP power
B2P3-VH-LF
(White)
B2P3-VH-LF
(White)
B02P-VH-LF
(White)
OP-PS DIVER
HARNESS
MCU-NNB
HARNESS
FAX PWB
USB2.0
DEVICE
Ether-
NET
B06B-PARK
USB2.0
USB PWB
B04B-PARK
B06B-PARK
TEL
MCU-USB(NNB)
HARNESS
LINE
MCU-FAX HARNESS
HEATER LAMP
SUB
THERMISTER
MAIN THERMISTER
Cassette dehumidifier heater
Handset
Japan only
SPEAKER
DOCUMENT SIZE SENSOR
(AB or Inch)
B20B-PHDSS
D2X
GP1A73 GP1S58 GP1S73
GP1S58
GP1S58
GP1S58
Shifter HP
harness
Paper exit UN
VLR-02V
HL HARNESS
VLP-02V
Fusing UN
USB HARNESS
(No FAX, no NNB)
USB EXTEND HARNESS
(Yes FAX, no NNB)
B18B-PUDSS
B10B-PASK
B12B-PASK
B2PS-VH
(White)
B18B-PUDSS
OP-PS EXTEND
HARNESS
18
10
6
YLP-02V
YLR-02V
SMR-02V-N
SMP-02V-NC
80P-JMDSS-G-1-TF
For memory expansion
B04B-PASK
(White)
4
LCD
LIU PWB
B TO B
B3B-PH-K-S
(White)
INLET
230V ONLY
HAND SOL
(unification)

Table of Contents

Other manuals for Sharp MX-M202D

Related product manuals