EasyManua.ls Logo

Sharp ZQ-5000 - Page 22

Sharp ZQ-5000
32 pages
Print Icon
To Next Page IconTo Next Page
To Next Page IconTo Next Page
To Previous Page IconTo Previous Page
To Previous Page IconTo Previous Page
Loading...
I
E
I
F
I
G
I
H
Battery replacement switch
5
4
3
point(K0
IO-
I
I
I
I
I
Ko
8
I
"
TEL
w
s
CAPS
z
MEMOCA;$
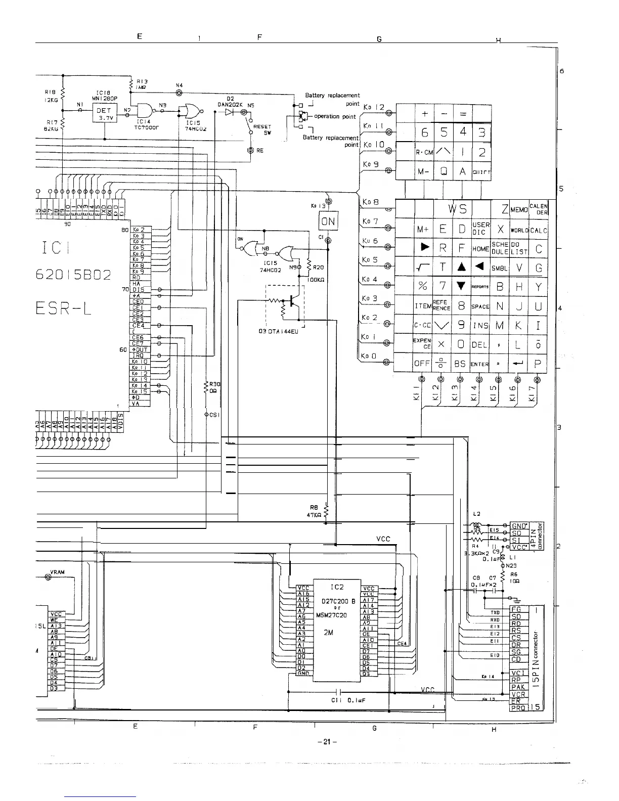
62015B02
ESR-L
CE4
CE5
03
OTA
i44EU
_I
60
50
40
CSI
u-l/--L
-
-
-
-
-
I
I
I I
L
RB
47KQ
GND
I
1
c
1
i
i>h
D27C200
I
B
M5M270C;O I FP
2M
ROM
I
CII
O.lUF
GNO

Related product manuals