EasyManua.ls Logo

Shibaura CM214 - Page 77

Shibaura CM214
124 pages
Print Icon
To Next Page IconTo Next Page
To Next Page IconTo Next Page
To Previous Page IconTo Previous Page
To Previous Page IconTo Previous Page
Loading...
76
(2) Assembly and Adjustment
Reassembly generally follows the disassembly
procedure in reverse.
During assembly observe the following:
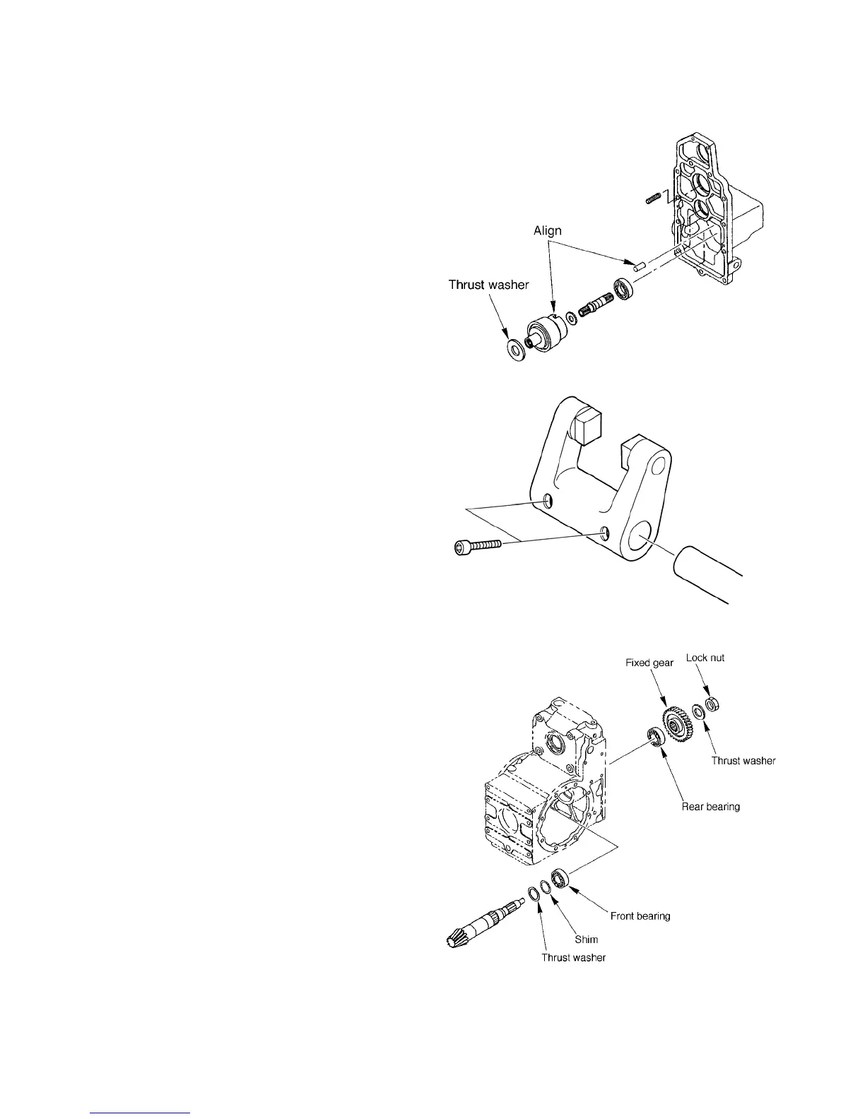
Four Wheel drive shifter fork assembly
1. Install the two way clutch assembly with align the
pin in the transmission cover and notch of two way
clutch assembly.
2. Install the thrust washer on the two way clutch
assembly.
3. Remove the oil stain from the bolt thread and shaft
thread by cleaning solvent.
4. Apply the thread sealant to bolt thread, and install
the shifter fork , two blocks and shaft secure with
two bolts in the transmission cover.
NOTE: Take care at the direction of shifter fork.
The spotted face of shifter fork toward the
drive pinion.
Drive pinion assembly
1. Install the outer bearings in the transmission
housing.
2. Assemble the thrust washer, shims and front inner
taper roller bearing on the drive pinion shaft. Insert
the pinion shaft in the housing.
3. Install the rear inner taper roller bearing, fixed gear
and washer secure with lock nut.
427V
428V
429V

Table of Contents

Related product manuals