EasyManua.ls Logo

Shibaura CM214 - Page 76

Shibaura CM214
124 pages
Print Icon
To Next Page IconTo Next Page
To Next Page IconTo Next Page
To Previous Page IconTo Previous Page
To Previous Page IconTo Previous Page
Loading...
75
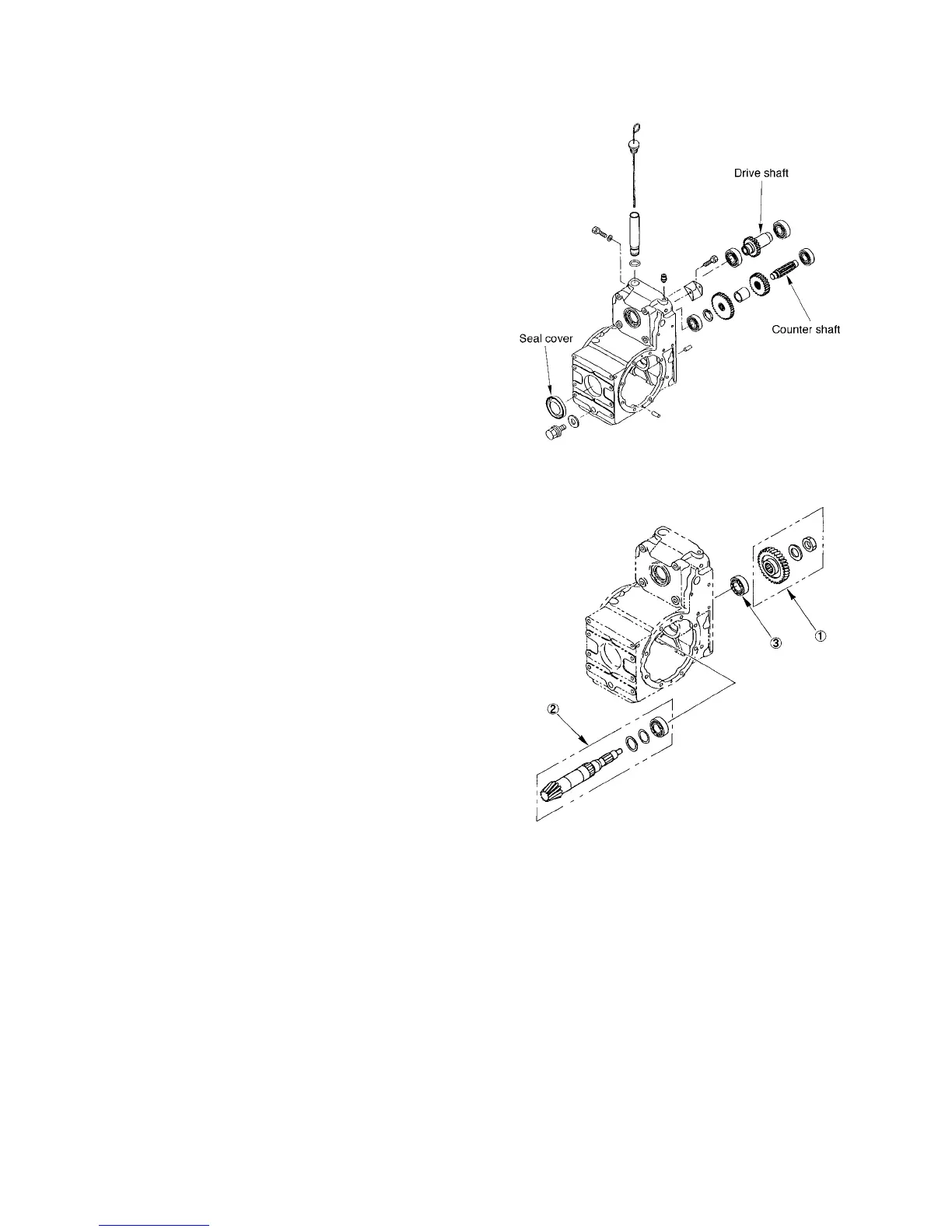
7. Drive shaft
Remove the drive shaft and two bearings as a set.
8. Counter shaft
Remove the countershaft and two bearings as a set.
9. Seal cover
Remove the seal cover for inspect the ring gear
back lash.
10. Drive pinion shaft
Remove the lock nut, washer and fixed gear
from on the drive pinion shaft.
Drive out the drive pinion, shims, washer and
bearing as a set to the front ward.
Remove the bearing from in the housing.
425V
426V

Table of Contents

Related product manuals