EasyManua.ls Logo

Side-Power SP 75 Ti - Technical Wiring Diagram; Schaltplan - Technisch; Koblingsskjema; Schéma Technique de Branchement

Side-Power SP 75 Ti
56 pages
Print Icon
To Next Page IconTo Next Page
To Next Page IconTo Next Page
To Previous Page IconTo Previous Page
To Previous Page IconTo Previous Page
Loading...
33
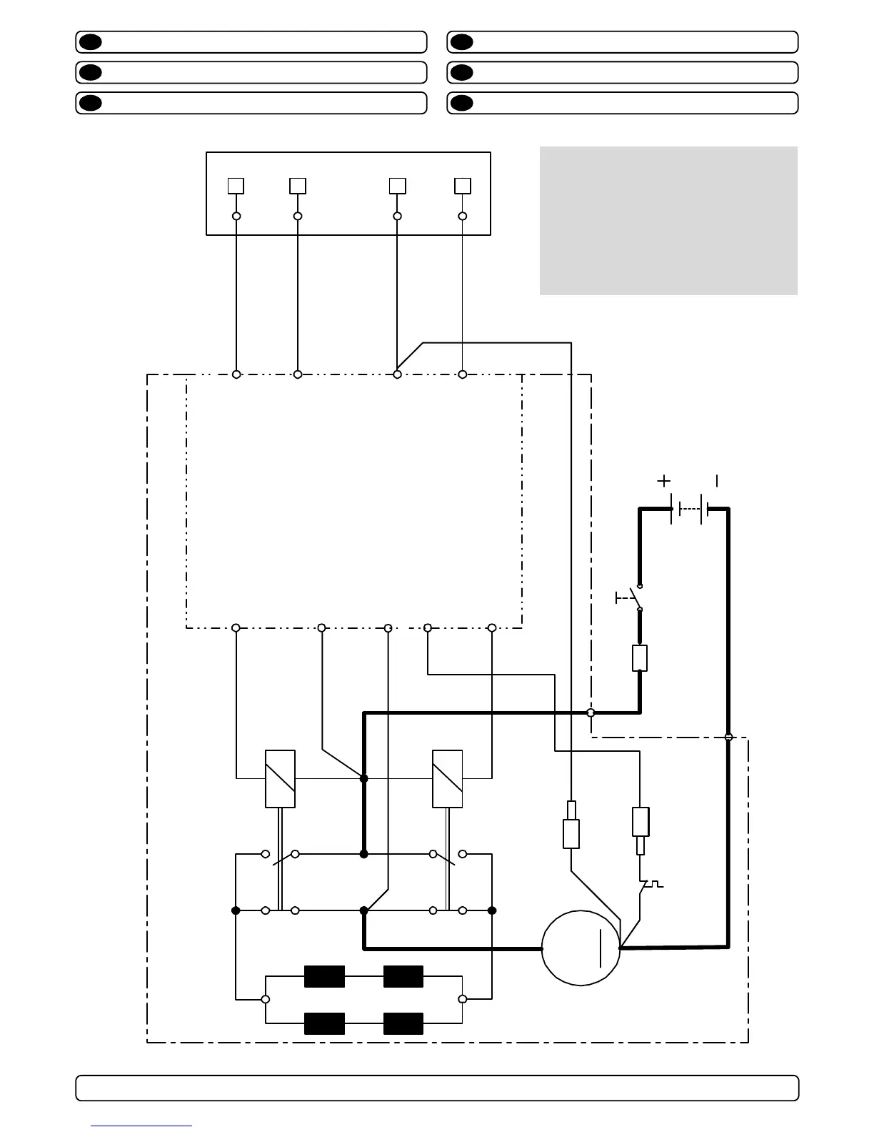
SP 75 Ti / SP 95 Ti / SP 125 Ti
2.5.1 - 2007
Schaltplan
D
Technical wiring diagram
GB
Schema di connessione tecnico
I
Schéma technique de branchement
F
Tekninen kytkentäkaava
FI
Koblingsskjema
N
M
Thermal
switch
Electronic
interface box
6 1232i
A2
A1
4 pin
AMP
connector
On
Motor
4
2
1
3
Fuse
Battery
main
switch
1
5
4
2
6
8
9
red (+)
grey
(sig +)
blue
(sig +)
black (-)
red
grey
(sig -)
blue
(sig -)
brown
3red
Fused
inside
1A
black
7
white
NB! Make sure to not use
any electronic interface
box (delay box) older than
the 6 1232i (ex. 6 122x)
on SP75Ti, SP95Ti, and
SP125Ti.

Table of Contents

Related product manuals