EasyManua.ls Logo

Siel 6kVA - UPS Battery Wiring

Siel 6kVA
28 pages
Print Icon
To Next Page IconTo Next Page
To Next Page IconTo Next Page
To Previous Page IconTo Previous Page
To Previous Page IconTo Previous Page
Loading...
IV388E Rev. 00
Installation and user manual
Date of issue:
2015-10-15
Pag. 11 of 28 + FR
Choose appropriate power cable, and pay attention to the diameter of the
connection terminal of the cable that should be greater than or equal to that of the
connection poles;
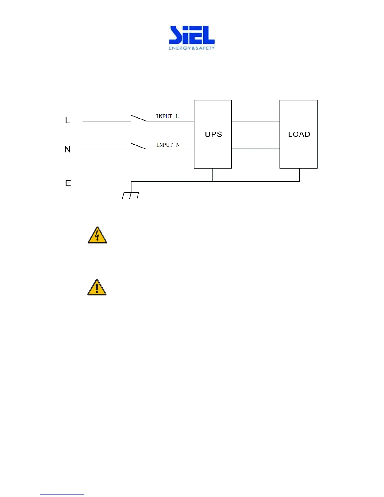
Input connection “single phase + ground
WARNING!
If the load equipment is not ready to accept power on the arrival
of the commissioning engineer then ensure that the system output
cables are safely isolated at their ends
CAUTION!
The earthing and neutral bonding arrangement must be in
accordance with local and national codes of practice.
3.8 Battery connection
The UPS uses a positive and negative double battery framework, total 16(optional 18/20)
pieces in series. A neutral cable is retrieved from the joint between the cathode of the 8
th
(9
th
/10
th
) and the anode of the 9
th
(10
th
/11
th
) of the batteries. Then the neutral, the battery
positive and the battery negative are connected with the UPS respectively. The battery
sets between the Battery anode and the neutral are called positive batteries and that between
neutral and cathode are called negative ones. Users can choose the capacity and the
numbers of the batteries according to their demands. The connection is shown as following:

Related product manuals