EasyManua.ls Logo

Siemens 353 - Page 99

Siemens 353
246 pages
Print Icon
To Next Page IconTo Next Page
To Next Page IconTo Next Page
To Previous Page IconTo Previous Page
To Previous Page IconTo Previous Page
Loading...
UM353-1B Function Blocks
April 2012
3-69
EO
EO
R 1/0
EMERG
IK
R 1/0
INTRLK
OK
RD
R 0
W 1
W 0
F-F
S
R
RESET
R 1/0
W 1
W 0
F-F
S
R
INIT_OK
EO
RS
RS
R 1/0
READY
EN
EN
EN
OR
AND
READY
AND
RUN
IK
12
11
AND
IK
OR
FD
R 1/0
FAILED
PF
R 1/0
W 1
W 0
F-F
S
R
DFAIL
OR
AND
EN
AND
FD
OR
AND
DONE
AND
ABORTED
OR
AND
RS
READY
EO
AND
EO
RS
FD
FD
IK
IK
AND
OR
RS
READY
EO
READY
READY
AND
ABORTED
EO
AND
OR
EN
READY
DONE
R 0
W 1
W 0
F-F
S
R
START
R 0
W 1
W 0
F-F
S
R
RESTART
ST
ST
AND
HO
OR
RTG
AND
EN
ST
EN
AND
HO
ST
RN
R 1/0
RUN
AND
AND
OR
ST
EN RUN
RUN
AND
HELD
RUN
R 0
W 1
W 0
F-F
S
R
HOLD
HO
HO
AND
RUN
OR
AND
EN
HO
AND
HO
13
FD
HE
R 1/0
HELD
AND
AND
OR
HO
EN
HELD
HELD
AND
RUN
HELD
R 1/0
DONE
DN
R 0
W 1
W 0
F-F
S
R
PCOMP
OR
AND
RUN
AND
DONE
OR
DONE
READY
AND
ABORTED
EO
DONE
R 1/0
ABORTED
R 0
W 1
W 0
F-F
S
R
ABORT
AND
HELD
AND
DONE
OR
ABORTED
ABORTED
AND
READY
IK
EN
AND
ABORTED
READY
OR
AND
EO
(unconfigured = 0)
(unconfigured = 1)
(unconfigured = 0)
(unconfigured = 1)
(unconfigured = 1)
(unconfigured = 1)
(unconfigured = 0)
14
17
24
54
53
56
57
18
25
15
58
26
27
28
42
59
60
19
22
61
62
20
23
63
64
29
30
31
43
65
66
32
33
34
35
44
45
67
69
68
70
36
37
16
21
48
49
46
71
38
39
47
73
72
74
76
75
52
50
51
1
2
3
4
5
7
8
9
FTG
55
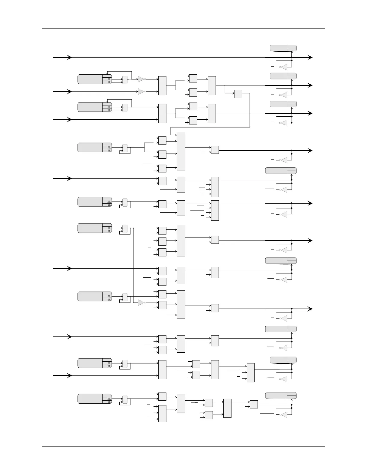
Figure 3-1 PCOM Logic

Table of Contents

Related product manuals