EasyManua.ls Logo

Siemens 353 - ON;OFF - On;Off Controller

Siemens 353
246 pages
Print Icon
To Next Page IconTo Next Page
To Next Page IconTo Next Page
To Previous Page IconTo Previous Page
To Previous Page IconTo Previous Page
Loading...
Function Blocks UM353-1B
April 2012
3-62
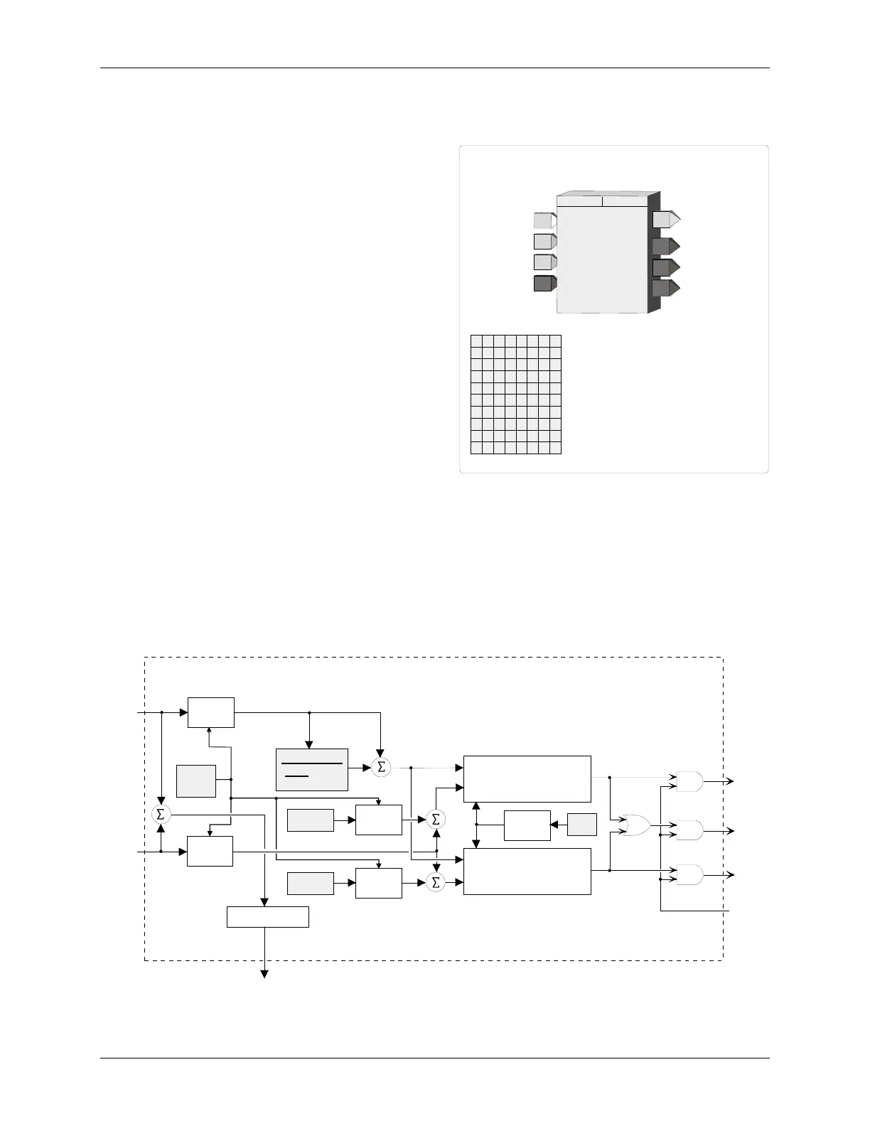
3.2.59 ON/OFF - On/Off Controller
ON/OFF is an on/off controller with deviation function. It
is one of five controller types that can be used on a one per
loop basis.
When P-S (Process - Setpoint) reaches the HDEV limit, the
Boolean output HO will go high (1) and when S-P (Setpoint
- Process) reaches the LDEV limit, the output LO will go
high (1). When the deviation drops to less than the
DEADBAND setting, the outputs will go low (0).
Derivative action is added to the process variable when the
TD parameter is other than 0.0.
When single ended action (gap action) is desired, set the
DEADBAND equal to the gap and the HDEV parameter for
half the gap. For example, if DEADBAND = 20.0, set
HDEV to 10. If the setpoint S is 50.0, output HO will go
high (1) when P equals 60.0 and HO will go low (0) when P
equals 40.0.
Input E asserted high (1) will enable the block outputs;
when low (0) all outputs will be set low (0).
The process range pointer parameter points to another function block that has range scaling, such as the analog
input that is providing the process variable. This enables the controller to normalize the tuning parameters for the
range of the process input. If this parameter is not configured, the controller will use a range scaling of 0.0 - 100.0.
POWER UP - During a warm start, outputs and comparator functions will be initialized at the state prior to power
down and all dynamic elements will be initialized at the current input on the first scan. During a cold start all
outputs and comparator states will be set to zero, to be activated by the block functions. All dynamic elements will
be initialized at the current input on the first scan.
t
D
S
t
D
DG
S
+ 1
+
-
P
S
BLOCK DIAGRAM
AE
S
etpoint
P
rocess
Lead
IN
put units
E
ngineering
scaling
IN
put units
E
ngineering
scaling
ON_OFF Controller
IN
put units
E
ngineering
scaling
DEV
iation
L
ow
IN
put units
E
ngineering
scaling
DEV
iation
H
igh
+
+
+
HI Comparator
IF A>=B THEN H=100
IF A>=(B-DB) AND A<B THEN H=H
1
IF A<(B-DB) THEN H=0
LO Comparator
IF A<=B THEN L=100
IF A<=(B+DB) AND A>B THEN L=L
1
IF A>(B+DB) THEN L=0
-
A
A
B
B
B
and
IN
put units
E
ngineering
scaling
DB
AND
D
ead
OR
AND
AND
HO
O1
LO
E
L
H
E
nable
Absolute Value
Absolute Error
R
an
G
e
.
.
+
+
P
oin
T
e
R
r3
P
rocess
ON_OFF CONTROLLER
DG
HO
H
igh
O
utput
CONTROLLER
ONOFF
ESN =
000
P
S
E
ON_OFF
S
etpoint
E
nable
AE
A
bsolute
E
rror
I
N
PUT
E
xec.
S
eq.
N
o.
(H)
........................... 001 to 250
ND
I
I
N
N
P
P
U
U
T
T
P
S
E
S
E
N
INPUT E
(H)
.....................
loop tag.block tag.output (null)
INPUT S
(H)
.....................
loop tag.block tag.output (null)
INPUT P
(H)
.....................
loop tag.block tag.output (null)
DEAD BAND
(S)
....................................... Real
(0.5)
D
erivative
G
ain
(S)
....................... 1.00 to 30.00
(10.00)
T
ime -
D
erivative
(S)
........... 0.00 to 100.00 min
(0.00)
T
D
O1
O
utput
1
LO
L
ow
O
utput
HD
EV
L
D
E
V
H
igh
DEV
iation
(S)
.................................... Real
(5.00)
L
ow
DEV
iation
(S)
..................................... Real
(5.00)
ABDAED
R
T
PR
R
an
G
e
P
oin
T
e
R
(S)
..................
loop tag.block tag (null)
G
R
ange
R

Table of Contents

Related product manuals