EasyManua.ls Logo

Siemens 6SE7038-2EH85-1AA0 - Page 131

Siemens 6SE7038-2EH85-1AA0
274 pages
To Next Page IconTo Next Page
To Next Page IconTo Next Page
To Previous Page IconTo Previous Page
To Previous Page IconTo Previous Page
Loading...
09.02 Start-Up
Siemens AG 6SE7087-6AK85-1AA0
4-49
Rectifier/Regenerating Unit Operating Instructions
P313
P314
P320 (5ms)
P074 (61%)
1,35*P071
0
1
P321 (30,00%)
P322 (20,00%)
K302
106,8%
10
100%
0%
<>9999
P320 (5)
9999
1
0
100%
P318 (80,00%)
K179
6005
6004
6003
0
0%
1
0
Id - C
t
Ud
C
P144
K178
K173
K109
r035
P330 (2000ms)
P329 (500ms)
*3)
P316 (0,01%)
P317 (-1,00%)
K163
1,35
K287
K167
K165
r037
+
-
K346
K190
r036
r038
K175
K160
P787 (0)
K
r786
&
1
P323 (0)
Id
P321 P322
1,35*P071
K109
Id
K301
K303
K105
K388
K360
K326
K315
K300
K304
K292
K114
Ud
Ud
r006
P797
(0011)
K171
(0010)
P315
r030
K213
K194
K168
(0010)
P315
P488 (0)
Ud
Id
87564321
Filtering
Time const.. = 1s
Average of three
Kp correction *1)
Filtering
min
max
Id-dependent Ud reduction
SST2 peer-to-peer, word 5
SST2 peer-to-peer, word 4
SST2 peer-to-peer, word 3
Id additional
setpoint selection
P488 (0)
Average of three
Ud control, Id setpoint generation
Connector selection display (HEX)
U_netw_infeed
(network voltage at
infeed power section)
(Firing cycle
mean value)
(3rd sampling value)
(Current maximum
value mean)
*1) on unbal. parallel switching acc. to
P076 and / or 12-pulse operation
*3) ramp-up/ramp-down time: = 0 on
request by STW.bit11 controlled
Ud_set_deceleration logic
if no AUS1 pending and P330 has an even value
*2) K190: = Set K167 (Ud actual value):
on neg. edge ov "Ud_set reduction",
on "no operation"
on AUS1 and "not ready for regenerative feedback",
in 12-pulse operation on waiting in status "- -"
Load current
injection
C correction *1)
Rounding 60ms
Ramp-function-
generator correction *2)
externally via STW1, bit11
(source selection with P571)
Command for Ud_set_reduction:
Additional important connectors:
STW1 (control word)
ZSW1 (status word)
Operating status
Firing cycle duration
Thyristor pair code
Deviation of passage through zero
Regenerative feedback network voltage U-V
Regenerative feedback network voltage V-W
Regenerative -feedback network voltage W-U
(Last sampling value)
Discharging time
Precharging time
Deadband
pos. threshold
Deadband
neg. threshold
Ud_set-
reduction
Threshold
Hysteresis
P component (active)
I component (= 0)
Effective Kp
to Sheet 2
Ud controller
Kp
Tn
Sheet 1
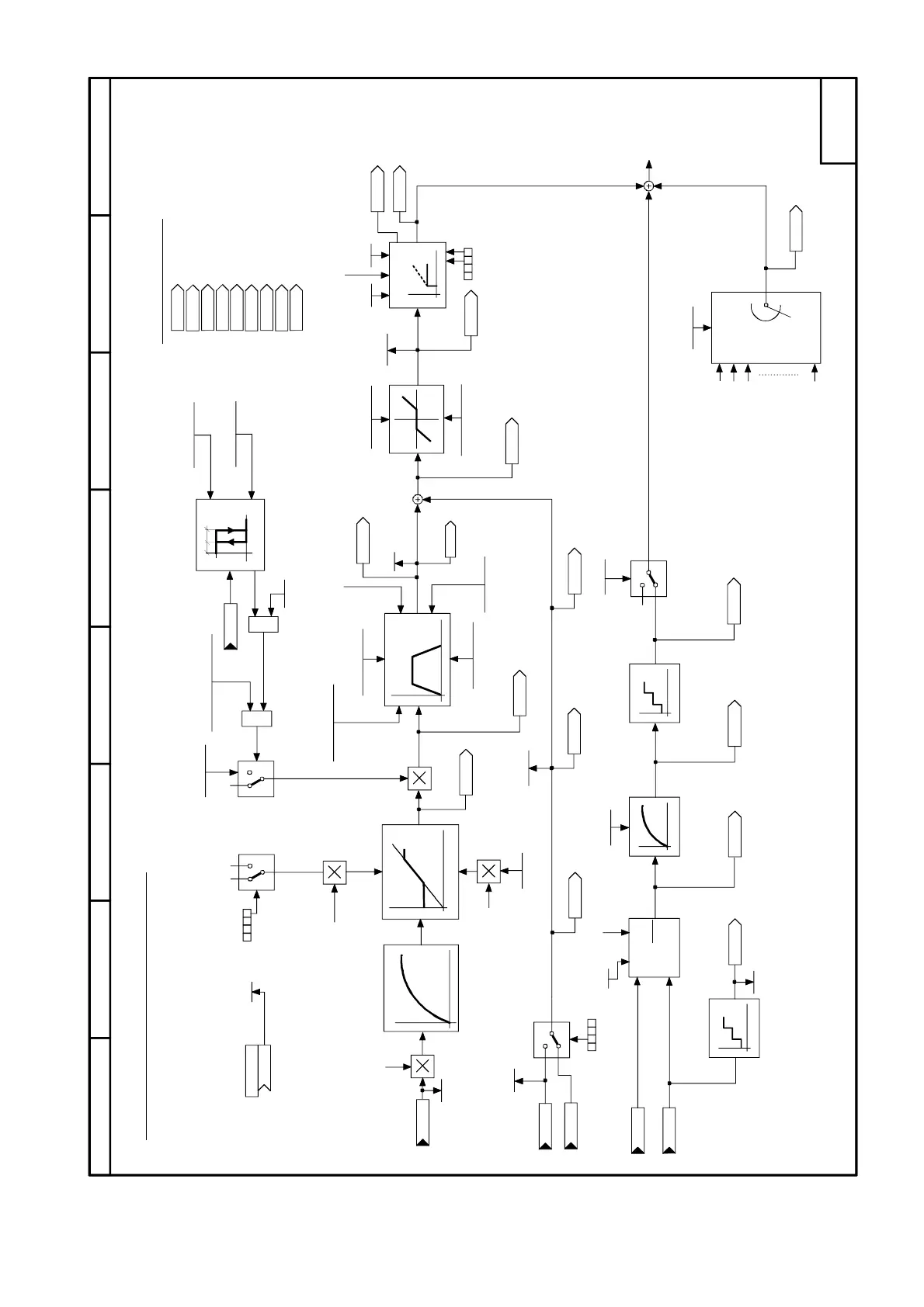
Figure 4.4.1 Ud control, Id setpoint generation
https://www.aotewell.com
AoteWell Automation Sales Team
Sales@aotewell.com
AoteWell LTD
Buy Siemens PLC HMI Drives at AoteWell.com
https://www.aotewell.com

Table of Contents

Related product manuals