EasyManua.ls Logo

Siemens 6SE7038-2EH85-1AA0 - Structure

Siemens 6SE7038-2EH85-1AA0
274 pages
To Next Page IconTo Next Page
To Next Page IconTo Next Page
To Previous Page IconTo Previous Page
To Previous Page IconTo Previous Page
Loading...
09.02 Operator Control
Siemens AG 6SE7087-6AK85-1AA0
6-3
Rectifier/Regenerating Unit Operating Instructions
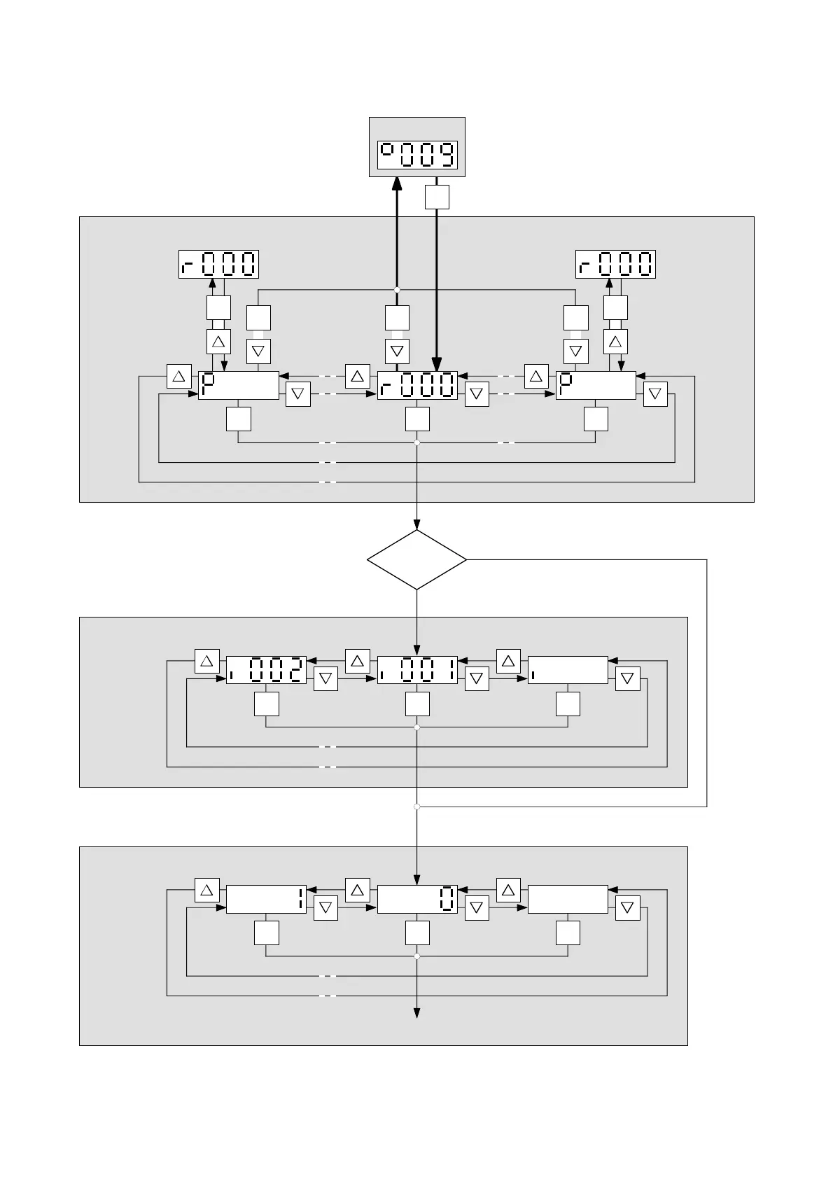
6.3 Structure
P PP
+
P
+
P
+
P
+
P
+
P
P
P PP
P PP
Parameter number level
Index level
Parameter value level
Fast changeover
highest
index
highest
value
Ready to switch-on
Parameter
indexed?
yes
no
Return to parameter number
Fast changeover
Operating display
Figure 6.2 Operator control structure using the PMU
https://www.aotewell.com
AoteWell Automation Sales Team
Sales@aotewell.com
AoteWell LTD
Buy Siemens PLC HMI Drives at AoteWell.com
https://www.aotewell.com

Table of Contents

Related product manuals