EasyManua.ls Logo

Siemens 6SE7038-2EH85-1AA0 - Page 64

Siemens 6SE7038-2EH85-1AA0
274 pages
To Next Page IconTo Next Page
To Next Page IconTo Next Page
To Previous Page IconTo Previous Page
To Previous Page IconTo Previous Page
Loading...
Connection 09.02
3-42 Siemens AG 6SE7087-6AK85-1AA0
Rectifier/Regenerating Unit Operating instructions
X48-3
X48-2
k
l
X1: C/L+
X1: D/L-
K
L
K
L
l
F10
k
F2
T3,2A
X9-4
X9-3
X9-5
F1
T2A
X9-1
X9-2
K1-2
U1.1
U1.2
V1.1
V1.2
W1.1
W1.2
C
D
G1 K1
G2 K2
G1 K1
G2 K2
G1 K1
G2 K2
K2 G2
K1 G1
K2 G2
K1 G1
K2 G2
K1 G1
X13-1
X13-2
X16-2
X16-1
X15-1
X15-2
X12-2
X12-1
X11-1
X11-2
X14-2
X14-1
X24-1
X24-2
V11+V14
V13+V16
V15+V12
V21+V24
V23+V26
V25+V22
X21-2
X21-1
X26-1
X26-2
X23-2
X23-1
X22-1
X22-2
X25-2
X25-1
A
K
AK
AK
AK
A
K
AK
KAAK
KA
AK
KAAK
X48-1
X48-4
X47-1
X47-3
X47-4
X47-2
k
l
K
L
K
L
l
k
R76
R78
R75
R77
R80R79
X30-1
X30-2
M
1~
ϑ
X239
F4
T2A
X29-2
X29-1
X29-3
F3
T2A
X19-1
X19-2
K101-2
230V~
AKAKAK
KKK
AAA
AAA
KKK
AKAKAK
V15+V12
K2 G2 G1 K1
X12 X15
V13+V16
K2 G2 G1 K1
X16 X13
V11+V14
K2 G2 G1K1
X14 X11
V25+V22
K2 G2 G1 K1
X22 X25
V23+V26
K2 G2 G1 K1
X26 X23
V21+V24
K2 G2 G1 K1
X24 X21
W1/L3
T2
V1/L2U1/L1
T1
1W2/1T3
T4
1U2/1T1
T3
1V2/1T2
F10
C/L+ D/L-
X4: 1U2/ 1V2/ 1W2/
1T1 1T2 1T3
X1: U1/ V1/ W1/
L1 L2 L3
PE
A23
C98043-A1682
A23
C98043-A1682
A601
C98043-A1686
R24 C24
R26 C26
R22 C22
C21 R21
C23 R23
C25 R25
R14
R11
R16
R13
R15
R12
R100
E1
A10-X109
(C98043-A1680)
T3
T4
T1 T2
N.C.
Load 1 Load 2
Termal sensor
on the heatsink
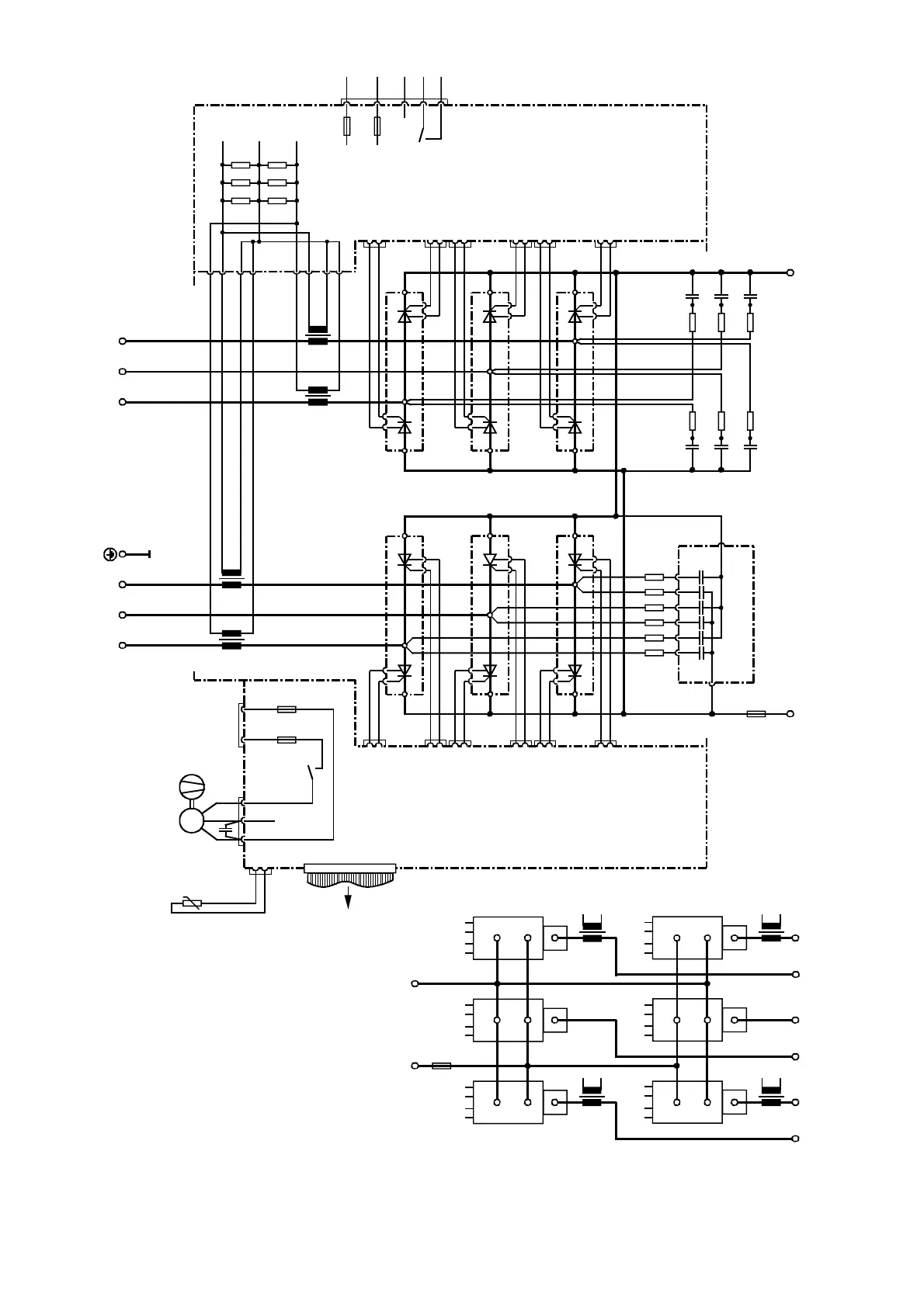
Arrangement of thyristor modules
Figure 3.31 Power section, 6SE7035-4FE85-1AA0 (500-600V / 536A)
https://www.aotewell.com
AoteWell Automation Sales Team
Sales@aotewell.com
AoteWell LTD
Buy Siemens PLC HMI Drives at AoteWell.com
https://www.aotewell.com

Table of Contents

Related product manuals