EasyManua.ls Logo

Siemens 6SE7038-2EH85-1AA0 - Page 67

Siemens 6SE7038-2EH85-1AA0
274 pages
To Next Page IconTo Next Page
To Next Page IconTo Next Page
To Previous Page IconTo Previous Page
To Previous Page IconTo Previous Page
Loading...
09.02 Connection
Siemens AG 6SE7087-6AK85-1AA0
3-45
Rectifier/Regenerating Unit Operating instructions
X48-3
X48-2
k
l
X1: C/L+
X1: D/L-
K
L
K
L
l
F10
k
F2
T3,2A
X9-4
X9-3
X9-5
F1
T2A
X9-1
X9-2
K1-2
G1 K1
G2 K2
G1 K1
G2 K2
G1 K1
G2 K2
K2 G2
K1 G1
K2 G2
K1 G1
K2 G2
K1 G1
X13-1
X13-2
X16-2
X16-1
X15-1
X15-2
X12-2
X12-1
X11-1
X11-2
X14-2
X14-1
X24-1
X24-2
V11+V14
V13+V16
V15+V12
V21+V24
V23+V26
V25+V22
X21-2
X21-1
X26-1
X26-2
X23-2
X23-1
X22-1
X22-2
X25-2
X25-1
AK
AK
AKAK
AK
AK
K
A
AK
KAAK
K
A
AK
X48-1
X48-4
X47-1
X47-3
X47-4
X47-2
k
l
K
L
K
L
l
k
R76
R78
R75
R77
R80R79
X30-1
X30-2
M
1~
ϑ
X239
F4
T2A
X29-2
X29-1
X29-3
F3
T2A
X19-1
X19-2
K101-2
230V~
AKAKAK
KKK
AAA
AAA
KKK
AKAKAK
V15+V12
K2 G2 G1 K1
X12 X15
V13+V16
K2 G2 G1 K1
X16 X13
V11+V14
K2 G2 G1K1
X14 X11
V25+V22
K2 G2 G1 K1
X22 X25
V23+V26
K2 G2 G1 K1
X26 X23
V21+V24
K2 G2 G1 K1
X24 X21
W1/L3
T2
V1/L2U1/L1
T1
1W2/1T3
T4
1U2/1T1
T3
1V2/1T2
F10
C/L+ D/L-
X4: 1U2/ 1V2/ 1W2/
1T1 1T2 1T3
X1: U1/ V1/ W1/
L1 L2 L3
PE
DC
1U2.1
1U2.2
1V2.1
1V2.2
1W2.1
1W2.2
U1.1
U1.2
V1.1
V1.2
W1.1
W1.2
DC
1U2.1
1U2.2
1V2.1
1V2.2
1W2.1
1W2.2
U1.1
U1.2
V1.1
V1.2
W1.1
W1.2
A23
C98043-A1682
A601 C98043-A1684
A23
C98043-A1682
A602 C98043-A1684
R100
E1
A10-X109
(C98043-A1680)
T3 T4
T1
T2
R14
R11
R16
R13
R15
R12
R24
R21
R26
R23
R25
R22
N.C.
Load 1 Load 2
Termal sensor
on the heatsink
Arrangement of thyristor modules
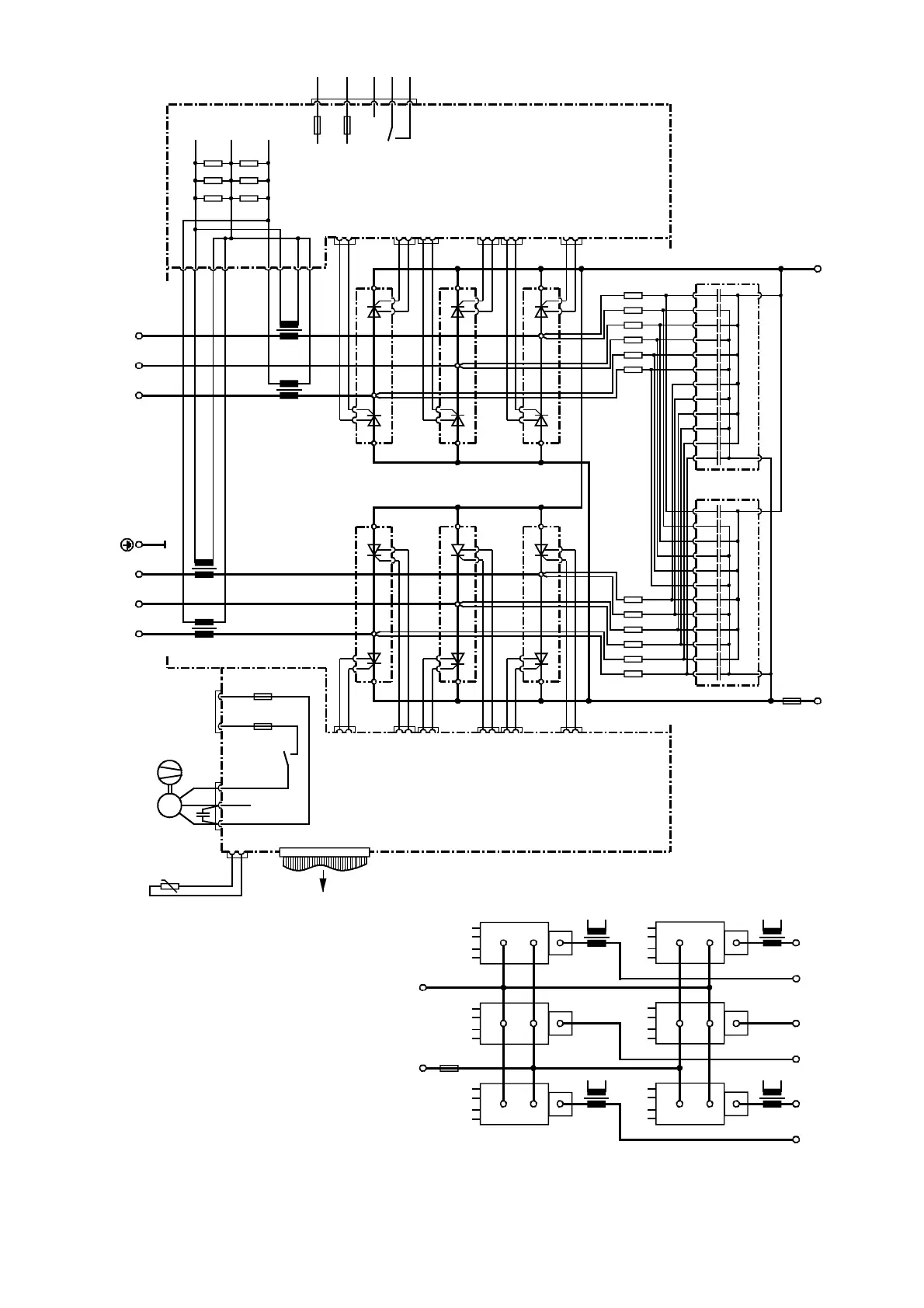
Figure 3.34 Power section, 6SE7032-7HE85-1AA0 and 6SE7034-2HE85-1AA0 (660-690V / 270A and 420A)
https://www.aotewell.com
AoteWell Automation Sales Team
Sales@aotewell.com
AoteWell LTD
Buy Siemens PLC HMI Drives at AoteWell.com
https://www.aotewell.com

Table of Contents

Related product manuals