EasyManua.ls Logo

Siemens 6SE7038-2EH85-1AA0 - Page 73

Siemens 6SE7038-2EH85-1AA0
274 pages
To Next Page IconTo Next Page
To Next Page IconTo Next Page
To Previous Page IconTo Previous Page
To Previous Page IconTo Previous Page
Loading...
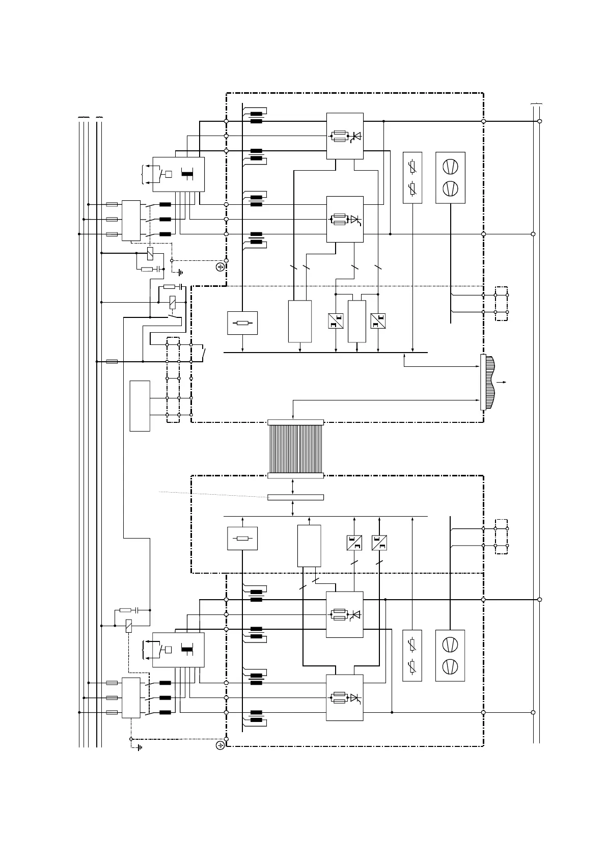
09.02 Connection
Siemens AG 6SE7087-6AK85-1AA0
3-51
Rectifier/Regenerating Unit Operating instructions
X1: C/L+
X1: D/L-
X27
X239
X9-1
X19-1 X19-2
X9-2 X9-3 X9-4 X9-5
X9-1
X19-1 X19-2
X9-2
X9-3 X9-4 X9-5
1AC 230V
A23
C98043-A1685
X28X27
12
12
X19-1
ϑ
X19-2
X19-1X19-2
1AC 230V
A23
C98043-A1695
X1: U1 V1 W1
L1 L2 L3
X1: C/L+
X4: 1U2 1V2 1W2
1T1 1T2 1T3
X1: D/L-
PE X1: U1 V1 W1
L1 L2 L3
X4: 1U2 1V2 1W2
1T1 1T2 1T3
PE
ϑ
ϑϑ
DC 510V - 620V
DC 675V - 780V
DC 890V - 930V
K1-2
3AC 50-60Hz, 400V
3AC 50-60Hz, 500V
3AC 50-60Hz, 690V
1AC 50-60Hz, 230V
12
12
6
6
K1
K3
6
6
ϑ
1U1
1U1
1V1
1V1
1W1
1W1
2U1
2V1
2W1
A10-X101
ϑ
1U1
1U1
1V1
1V1
1W1
1W1
2U1
2V1
2W1
A10-X101
K2
Power section, parallel unit
Load
Filter
(optional)
to electronics module
A10-X109
Parallel unit
Basic unit
Connections for
second parallel unit
Filter
(optional)
Fan unit
Termistor
Load
Fan unit
Power section, basic unit
24V power
supply unit
Termistor
Voltage
measurement
Fuse
monitoring
Fuse
monitoring
of the main power switch
Figure 3.38 Single-line diagram with suggested circuit for parallel connection with autotransformer, size K
https://www.aotewell.com
AoteWell Automation Sales Team
Sales@aotewell.com
AoteWell LTD
Buy Siemens PLC HMI Drives at AoteWell.com
https://www.aotewell.com

Table of Contents

Related product manuals