EasyManua.ls Logo

Siemens Simatic S7-1500 - Page 247

Siemens Simatic S7-1500
527 pages
To Next Page IconTo Next Page
To Next Page IconTo Next Page
To Previous Page IconTo Previous Page
To Previous Page IconTo Previous Page
Loading...
Instructions
9.1 PID_Compact
PID control
Function Manual, 03/2017, A5E35300227-AC
247
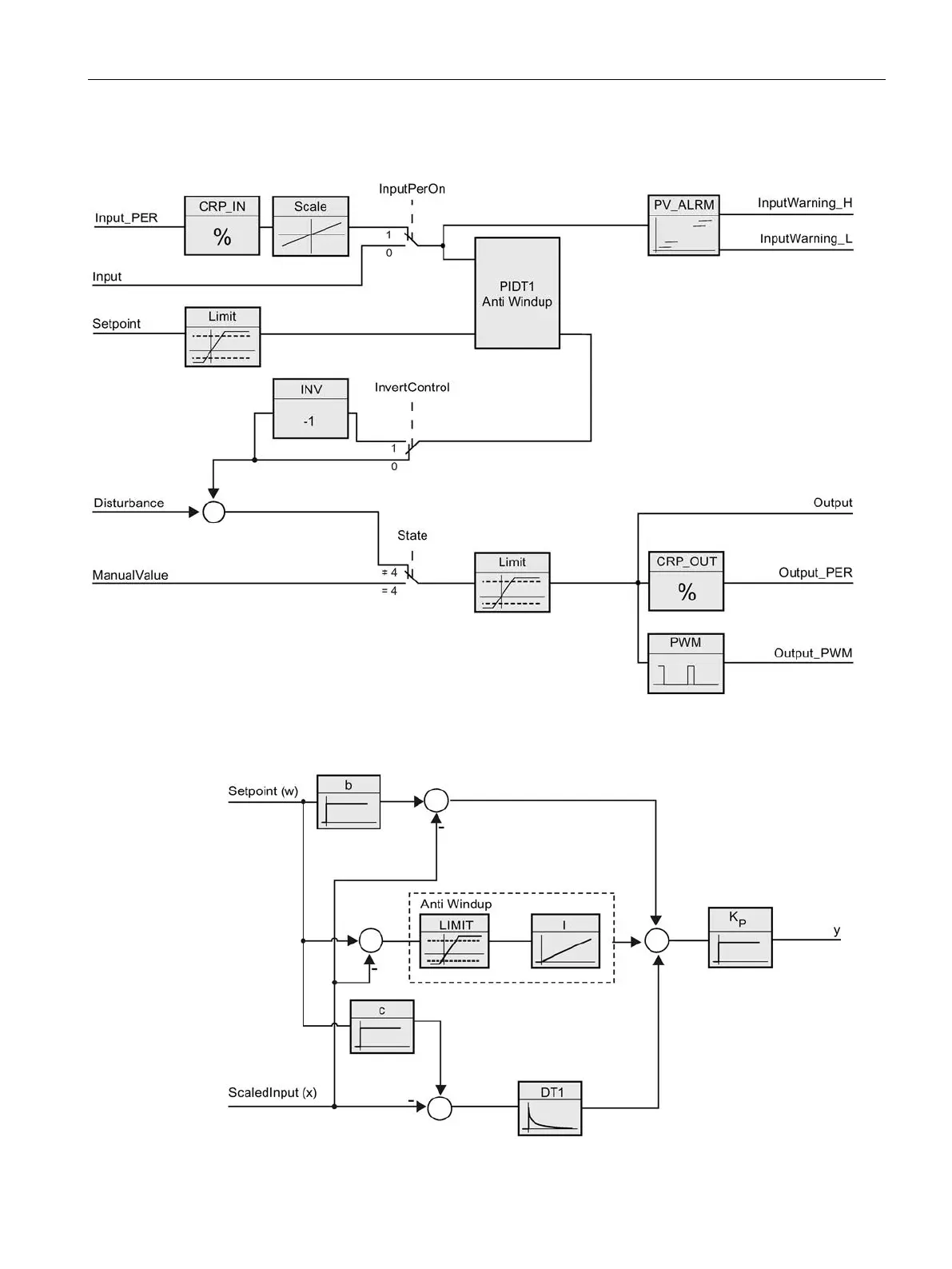
Block diagram of PID_Compact
Block diagram of PIDT1 with anti-windup

Table of Contents

Other manuals for Siemens Simatic S7-1500

Related product manuals