EasyManua.ls Logo

Siemens Simatic S7-1500 - Page 309

Siemens Simatic S7-1500
527 pages
To Next Page IconTo Next Page
To Next Page IconTo Next Page
To Previous Page IconTo Previous Page
To Previous Page IconTo Previous Page
Loading...
Instructions
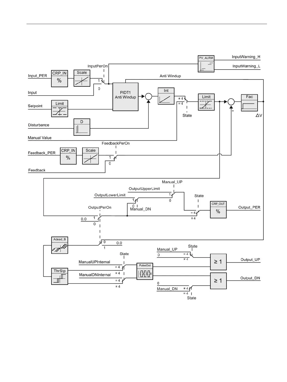
9.2 PID_3Step
PID control
Function Manual, 03/2017, A5E35300227-AC
309
Block diagram with position feedback

Table of Contents

Other manuals for Siemens Simatic S7-1500

Related product manuals