EasyManua.ls Logo

Siemens Simatic S7-1500 - Page 345

Siemens Simatic S7-1500
527 pages
To Next Page IconTo Next Page
To Next Page IconTo Next Page
To Previous Page IconTo Previous Page
To Previous Page IconTo Previous Page
Loading...
Instructions
9.2 PID_3Step
PID control
Function Manual, 03/2017, A5E35300227-AC
345
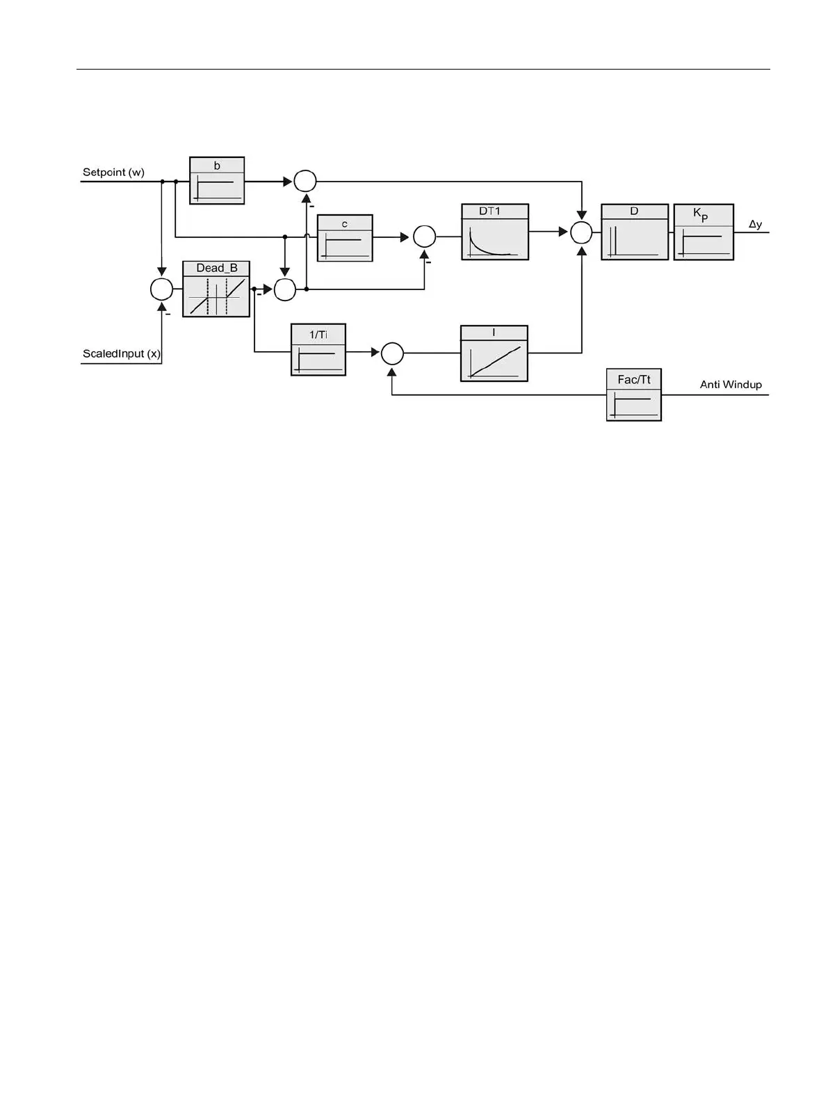
Block diagram of PIDT1 with anti-windup
Call
PID_3Step is called in a constant time interval of the cycle time of the calling OB (preferably
in a cyclic interrupt OB).
Download to device
The actual values of retentive tags are only updated when you download PID_3Step
completely.
Downloading technology objects to device (Page 44)
Startup
At the startup of the CPU, PID_3Step starts in the operating mode that was last active. To
leave PID_3Step in "Inactive" mode, set RunModeByStartup = FALSE.

Table of Contents

Other manuals for Siemens Simatic S7-1500

Related product manuals