EasyManua.ls Logo

Siemens SIWAREX WL200 Series - Siwarex Wl270 Cp-S Sa

Siemens SIWAREX WL200 Series
102 pages
To Next Page IconTo Next Page
To Next Page IconTo Next Page
To Previous Page IconTo Previous Page
To Previous Page IconTo Previous Page
Loading...
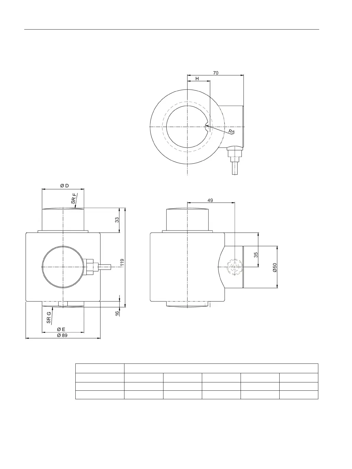
Dimension drawings
10.11 SIWAREX WL270 CP-S SA
SIWAREX WL200
78 Operating Instructions, 07/2016, A5E02199611B-03
10.11
SIWAREX WL270 CP-S SA
Figure 10-12 SIWAREX WL270 CP-S SA dimension drawing
Rated load
Dimensions in mm
D
E
F
G
H
10 t; 20 t; 30 t
40
40
38
150
22
50 t
50
50
200
200
27

Table of Contents

Related product manuals