EasyManua.ls Logo

Simplicity Regent Hydro-Gear 0650 Series

Simplicity Regent Hydro-Gear 0650 Series
201 pages
To Next Page IconTo Next Page
To Next Page IconTo Next Page
To Previous Page IconTo Previous Page
To Previous Page IconTo Previous Page
Loading...
10 Transmission Removal & Installation
Tuff Torq K-56 Models
10 - 2
10
12
1
3
4
5
6
7
13
14
15
16
17
18
19
20
21
22
19
21
23
21
22
24
25
26
25
27
1
4
4
30
31
8
28
1
15
29
9
11
2
35
36
37
38
39
40
41
42
43
44
43
4
32
33
34
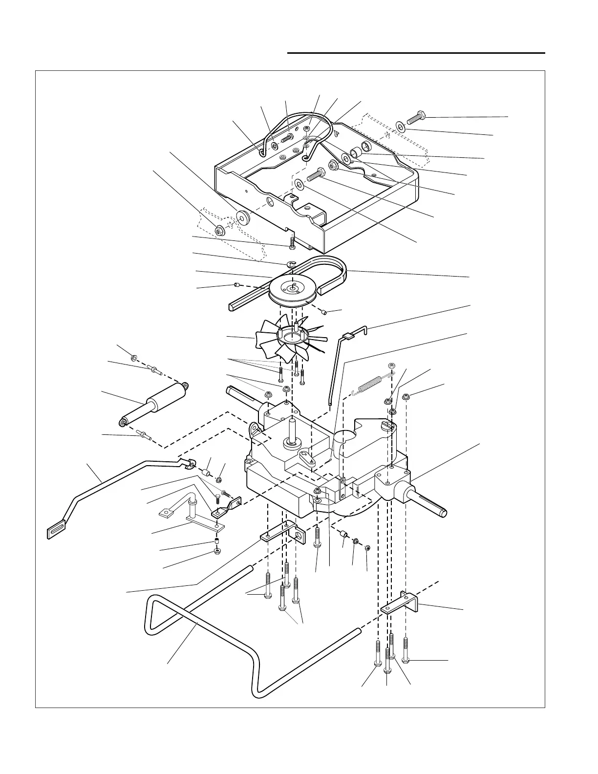
Figure 1. Transmission & Carrier Assembly - Tuff Torq K-56 Models
Transmission & Carrier Assembly -
Tuff Torq K-56 Models

Table of Contents

Related product manuals